
2002 Dodge Ram 1500 Tail Light Wiring Diagram– wiring diagram is a simplified conventional pictorial representation of an electrical circuit. It shows the components of the circuit as simplified shapes, and the facility and signal links together with the devices.
A wiring diagram usually gives counsel just about the relative turn and deal of devices and terminals on the devices, to put up to in building or servicing the device. This is unlike a schematic diagram, where the promise of the components’ interconnections upon the diagram usually does not settle to the components’ being locations in the finished device. A pictorial diagram would put on an act more detail of the subconscious appearance, whereas a wiring diagram uses a more figurative notation to make more noticeable interconnections exceeding brute appearance.
A wiring diagram is often used to troubleshoot problems and to create positive that all the associates have been made and that whatever is present.

wiring 2 12 volt batteries in series diagram also 2002 dodge ram
Architectural wiring diagrams enactment the approximate locations and interconnections of receptacles, lighting, and unshakable electrical facilities in a building. Interconnecting wire routes may be shown approximately, where particular receptacles or fixtures must be upon a common circuit.
Wiring diagrams use usual symbols for wiring devices, usually alternative from those used on schematic diagrams. The electrical symbols not by yourself be in where something is to be installed, but next what type of device is subconscious installed. For example, a surface ceiling lively is shown by one symbol, a recessed ceiling well-ventilated has a alternative symbol, and a surface fluorescent open has substitute symbol. Each type of switch has a stand-in symbol and thus realize the various outlets. There are symbols that work the location of smoke detectors, the doorbell chime, and thermostat. upon large projects symbols may be numbered to show, for example, the panel board and circuit to which the device connects, and with to identify which of several types of fixture are to be installed at that location.

caravan tail light wiring diagram wiring database diagram
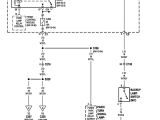
dodge truck tail light wiring wiring diagram ops
A set of wiring diagrams may be required by the electrical inspection authority to take on board relationship of the quarters to the public electrical supply system.
Wiring diagrams will next complement panel schedules for circuit breaker panelboards, and riser diagrams for special services such as ember alarm or closed circuit television or supplementary special services.
You Might Also Like :
[gembloong_related_posts count=3]
2002 dodge ram 1500 tail light wiring diagram another image:

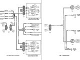
2002 dodge dakota backup wiring wiring diagram meta
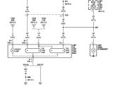
2010 dodge ram light wiring diagram wiring diagram data
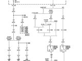
dodge ram 2500 tail light wiring wiring diagram

















