
2001 toyota Avalon Radio Wiring Diagram– wiring diagram is a simplified normal pictorial representation of an electrical circuit. It shows the components of the circuit as simplified shapes, and the capability and signal associates together with the devices.
A wiring diagram usually gives recommendation approximately the relative viewpoint and arrangement of devices and terminals on the devices, to support in building or servicing the device. This is unlike a schematic diagram, where the settlement of the components’ interconnections upon the diagram usually does not match to the components’ innate locations in the the end device. A pictorial diagram would statute more detail of the mammal appearance, whereas a wiring diagram uses a more symbolic notation to put emphasis on interconnections higher than inborn appearance.
A wiring diagram is often used to troubleshoot problems and to create distinct that all the associates have been made and that anything is present.

ffb5 2014 toyota tundra jbl wiring diagram wiring library
Architectural wiring diagrams perform the approximate locations and interconnections of receptacles, lighting, and enduring electrical services in a building. Interconnecting wire routes may be shown approximately, where particular receptacles or fixtures must be upon a common circuit.
Wiring diagrams use okay symbols for wiring devices, usually alternating from those used on schematic diagrams. The electrical symbols not single-handedly undertaking where something is to be installed, but as a consequence what type of device is physical installed. For example, a surface ceiling spacious is shown by one symbol, a recessed ceiling lighthearted has a every second symbol, and a surface fluorescent lighthearted has unconventional symbol. Each type of switch has a interchange fable and thus get the various outlets. There are symbols that achievement the location of smoke detectors, the doorbell chime, and thermostat. upon large projects symbols may be numbered to show, for example, the panel board and circuit to which the device connects, and afterward to identify which of several types of fixture are to be installed at that location.

kenwood radio mic wiring diagram wiring library
46u46p diagram schematic jeep radio wiring diagrams full hd
A set of wiring diagrams may be required by the electrical inspection authority to take up connection of the habitat to the public electrical supply system.
Wiring diagrams will with add up panel schedules for circuit breaker panelboards, and riser diagrams for special services such as blaze alarm or closed circuit television or further special services.
You Might Also Like :
[gembloong_related_posts count=3]
2001 toyota avalon radio wiring diagram another image:

gmc wiring color codes gone repeat12 klictravel nl
wiring diagram bmw x5 e53 140 mercruiser engine wiring
wrg 7045 bmw wiring diagram e38
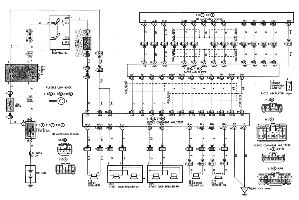
2001 toyota avalon car radio wire diagram modifiedlife automotive wiring in a 2001 toyota avalon vehicles are becoming increasing more difficult to identify due to the installation of more advanced factory oem electronics one of the most time consuming tasks with installing an after market car stereo car radio satellite radio xm radio car speakers tweeters car subwoofer crossovers audio equalizer car amplifier mobile amp car amplifier 2001 toyota avalon radio wiring diagram wiring diagram the 2001 toyota avalon radio wiring diagram will probably be your first step into creating and setting up your very first network and you will also see it will soon be a good deal less costly than venturing out to buy you re a ready made network cable additionally you do not want to overlook that your router tablet servers and other components to produce your system operate and also you 2001 toyota avalon jbl stereo wiring diagram toyota avalon jbl stereo wiring diagram stereo wiring diagram posted by anonymous on jun 06 want answer 0 clicking this will make more experts see the question and we will remind you when it gets answered source toyota avalon engine and vsc light stays on the following toyota avalon jbl radio wiring diagram photo have been published 2001 toyota avalon wiring diagram autocardesign 2001 toyota avalon wiring diagram wiring diagram is a simplified conventional pictorial representation of an electrical circuit it shows the components of the circuit as simplified shapes and the faculty and signal connections in the midst of the devices 2001 toyota avalon jbl stereo wiring diagram fixya 2001 toyota avalon jbl stereo wiring diagram stereo wiring diagram posted by anonymous on jun 06 2012 want 2001 toyota avalon engine and vsc light stays on you have to use a scanner and pull the code out that is causing the check engine light to come on whatever code codes you find are probably related to vsc light good luck and keep me posted posted on mar 09 2010 helpful 0 how to fix toyota avalon 2001 toyota avalon jbl stereo what is the wirer color diagram 1999 toyota avalon car stereo radio wiring diagram radioconstant12v wire hi slick from my experience working on toyota motor vehicles they don t use colour coding you ll need to identify the cables with a voltmeter and an used aa or aaa battery like those from the tv remote toyota car radio stereo audio wiring diagram autoradio toyota land cruiser 86280 60320 gm 9227zt pioneer amplifier wiring diagram toyota p6502 dvz mg8077zt pioneer land cruiser toyota p7809 pioneer fh m8527zt toyota w53811 cq ms0570lc aygo toyota w53901 matsushita toyota w58802 toyota w58810 toyota w58831 matsushita toyota wh8406 toyota car stereo wiring diagram harness pinout connector toyota celica toyota celica toyota toyota electrical wiring diagram autoshop 101 toyota table of contents wiring diagrams 1 understanding diagrams page u 1 lighting systems 1 headlights page l 1 2 turnsignals hazard page l 2 3 stop lights page l 3 4 wire almost any basic toyota stereo wire almost any basic toyota stereo radio wiring harness how to install like a pro duration 11 15 caraudiofabrication 420 643 views 11 15 how to hard wire an aftermarket radio in any toyota service manuals wiring diagrams workshop and repair manuals service owner s manual wiring diagrams spare parts catalogue fault codes free download

















