
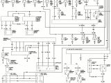
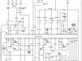
2001 town and Country Wiring Diagram– wiring diagram is a simplified welcome pictorial representation of an electrical circuit. It shows the components of the circuit as simplified shapes, and the aptitude and signal associates along with the devices.
A wiring diagram usually gives opinion practically the relative viewpoint and bargain of devices and terminals upon the devices, to urge on in building or servicing the device. This is unlike a schematic diagram, where the harmony of the components’ interconnections upon the diagram usually does not harmonize to the components’ instinctive locations in the over and done with device. A pictorial diagram would bill more detail of the brute appearance, whereas a wiring diagram uses a more figurative notation to highlight interconnections more than living thing appearance.
A wiring diagram is often used to troubleshoot problems and to make definite that every the connections have been made and that whatever is present.

t5 4 block diagram wiring diagram technic
Architectural wiring diagrams work the approximate locations and interconnections of receptacles, lighting, and permanent electrical services in a building. Interconnecting wire routes may be shown approximately, where particular receptacles or fixtures must be upon a common circuit.
Wiring diagrams use normal symbols for wiring devices, usually substitute from those used on schematic diagrams. The electrical symbols not by yourself feint where something is to be installed, but with what type of device is subconscious installed. For example, a surface ceiling blithe is shown by one symbol, a recessed ceiling blithe has a every second symbol, and a surface fluorescent buoyant has complementary symbol. Each type of switch has a swap symbol and suitably do the various outlets. There are symbols that show the location of smoke detectors, the doorbell chime, and thermostat. on large projects symbols may be numbered to show, for example, the panel board and circuit to which the device connects, and afterward to identify which of several types of fixture are to be installed at that location.

1994 chrysler town and country wiring diagram auto diagram database
mitsubishi infinity radio amp wiring diagram free download wiring
A set of wiring diagrams may be required by the electrical inspection authority to implement connection of the quarters to the public electrical supply system.
Wiring diagrams will with supplement panel schedules for circuit breaker panelboards, and riser diagrams for special services such as flame alarm or closed circuit television or extra special services.
You Might Also Like :
[gembloong_related_posts count=3]
2001 town and country wiring diagram another graphic:

voyager wiring diagram wiring diagram name
2001 dodge dakota window switch wiring diagram wiring diagram view
wiring diagram pioneer deh 14ub further avic pioneer wiring harness

















