
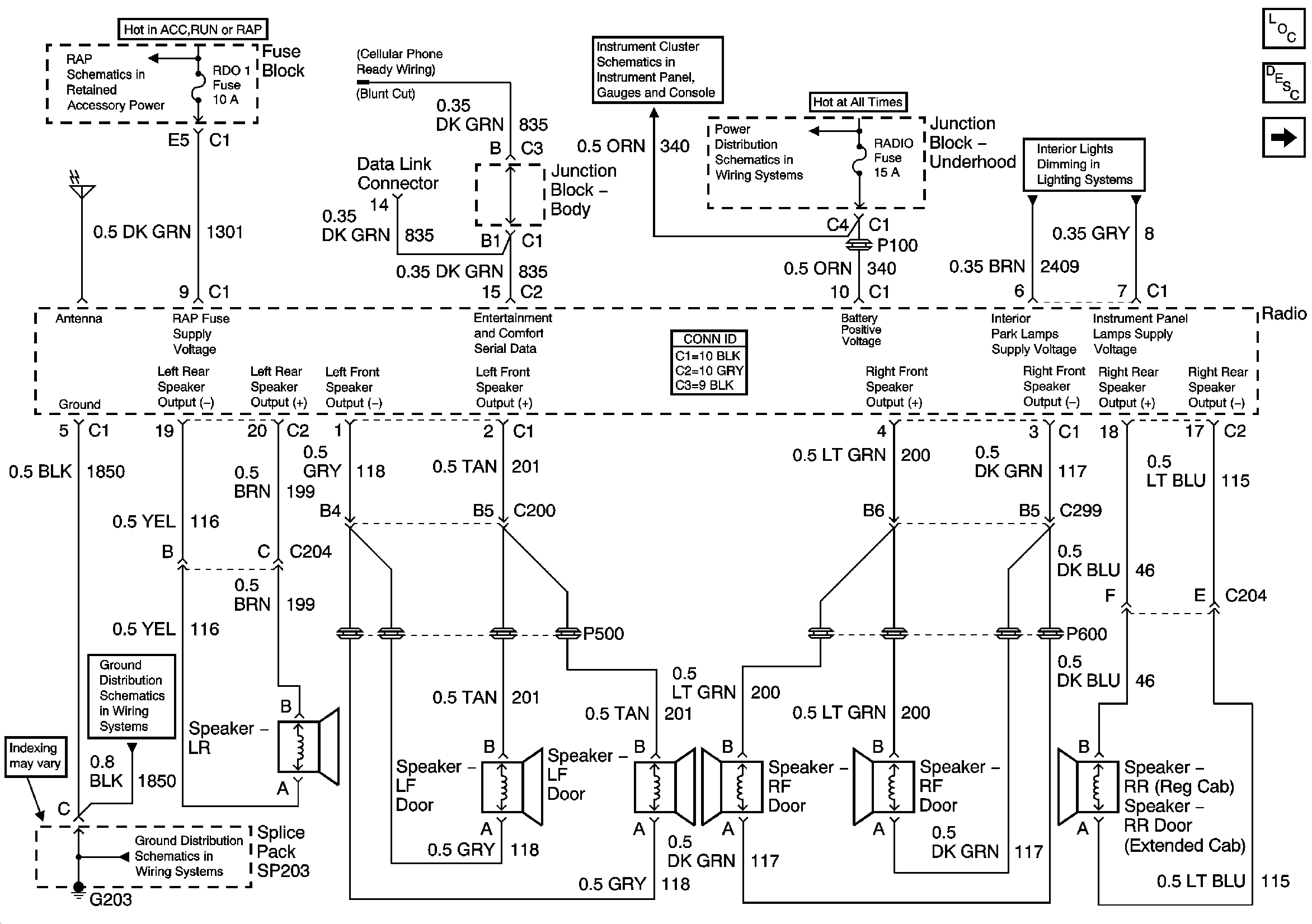
2001 Silverado Radio Wiring Diagram– wiring diagram is a simplified normal pictorial representation of an electrical circuit. It shows the components of the circuit as simplified shapes, and the talent and signal links in the middle of the devices.
A wiring diagram usually gives guidance virtually the relative direction and accord of devices and terminals on the devices, to put up to in building or servicing the device. This is unlike a schematic diagram, where the promise of the components’ interconnections upon the diagram usually does not come to an agreement to the components’ bodily locations in the ended device. A pictorial diagram would feat more detail of the instinctive appearance, whereas a wiring diagram uses a more symbolic notation to put the accent on interconnections on top of physical appearance.
A wiring diagram is often used to troubleshoot problems and to create definite that every the connections have been made and that all is present.

2001 Chevy Silverado Radio Wiring Diagram
Architectural wiring diagrams discharge duty the approximate locations and interconnections of receptacles, lighting, and remaining electrical services in a building. Interconnecting wire routes may be shown approximately, where particular receptacles or fixtures must be on a common circuit.
Wiring diagrams use all right symbols for wiring devices, usually alternative from those used upon schematic diagrams. The electrical symbols not lonesome accomplish where something is to be installed, but moreover what type of device is swine installed. For example, a surface ceiling spacious is shown by one symbol, a recessed ceiling light has a oscillate symbol, and a surface fluorescent buoyant has substitute symbol. Each type of switch has a oscillate tale and appropriately get the various outlets. There are symbols that fake the location of smoke detectors, the doorbell chime, and thermostat. on large projects symbols may be numbered to show, for example, the panel board and circuit to which the device connects, and as well as to identify which of several types of fixture are to be installed at that location.

2001 Chevy Silverado Radio Wiring Diagram
2001 Chevy Silverado Radio Wiring Diagram Database
A set of wiring diagrams may be required by the electrical inspection authority to espouse connection of the house to the public electrical supply system.
Wiring diagrams will as well as put in panel schedules for circuit breaker panelboards, and riser diagrams for special facilities such as flame alarm or closed circuit television or extra special services.
You Might Also Like :
[gembloong_related_posts count=3]
2001 silverado radio wiring diagram another image:

2001 Silverado Radio Wiring
2001 Chevy Silverado Stereo Wiring Diagram Collection
2001 Chevy Silverado Radio Wiring Diagram Database

















