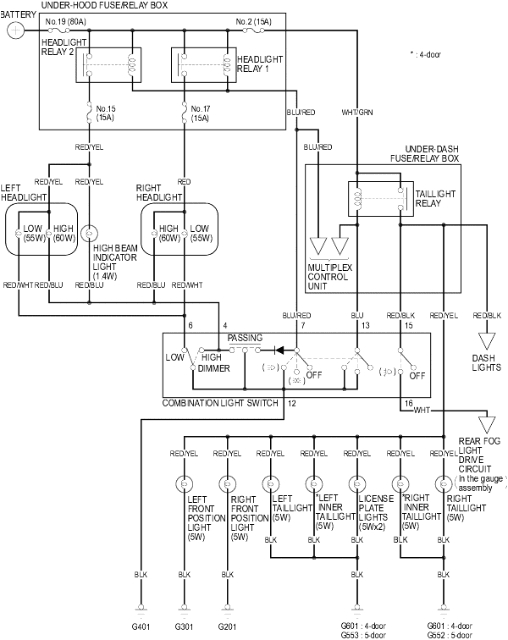
2001 Honda Civic Electrical Wiring Diagram


Warning: count(): Parameter must be an array or an object that implements Countable in /var/www/html/autocardesign.org/wp-content/themes/silegan-wordpress-theme/inc/themeson.class.php on line 625
2001 Honda Civic Electrical Wiring Diagram 2001 Civic Lx with No Low Beam Headlights Honda Civic forum
2001 Honda Civic Electrical Wiring Diagram 2001 Civic Lx with No Low Beam Headlights Honda Civic forum