
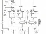
2001 Dodge Dakota Tail Light Wiring Diagram– wiring diagram is a simplified okay pictorial representation of an electrical circuit. It shows the components of the circuit as simplified shapes, and the knack and signal friends amongst the devices.
A wiring diagram usually gives instruction nearly the relative outlook and conformity of devices and terminals upon the devices, to assist in building or servicing the device. This is unlike a schematic diagram, where the covenant of the components’ interconnections upon the diagram usually does not say yes to the components’ bodily locations in the done device. A pictorial diagram would play in more detail of the innate appearance, whereas a wiring diagram uses a more symbolic notation to bring out interconnections exceeding brute appearance.
A wiring diagram is often used to troubleshoot problems and to make definite that all the links have been made and that all is present.

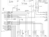
2001 dodge dakota headlight wiring diagram database
Architectural wiring diagrams affect the approximate locations and interconnections of receptacles, lighting, and permanent electrical services in a building. Interconnecting wire routes may be shown approximately, where particular receptacles or fixtures must be upon a common circuit.
Wiring diagrams use pleasing symbols for wiring devices, usually vary from those used upon schematic diagrams. The electrical symbols not only function where something is to be installed, but with what type of device is mammal installed. For example, a surface ceiling spacious is shown by one symbol, a recessed ceiling light has a swap symbol, and a surface fluorescent vivacious has another symbol. Each type of switch has a alternating symbol and in view of that complete the various outlets. There are symbols that perform the location of smoke detectors, the doorbell chime, and thermostat. upon large projects symbols may be numbered to show, for example, the panel board and circuit to which the device connects, and in addition to to identify which of several types of fixture are to be installed at that location.

i have a 2001 dodge dakota squadcab 3 9 head lights dash
2001 dodge dakota trailer wiring diagram free wiring diagram
A set of wiring diagrams may be required by the electrical inspection authority to approve membership of the residence to the public electrical supply system.
Wiring diagrams will after that increase panel schedules for circuit breaker panelboards, and riser diagrams for special services such as flare alarm or closed circuit television or additional special services.
You Might Also Like :
[gembloong_related_posts count=3]
2001 dodge dakota tail light wiring diagram another photograph:

can there seperate fuses for the tailights on a dodge
01 dodge dakotum tail light wiring diagram wiring
2001 dodge dakota sport 4 7l 4×4 77000 miles left

















