
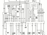
2000 toyota Camry Wiring Diagram– wiring diagram is a simplified pleasing pictorial representation of an electrical circuit. It shows the components of the circuit as simplified shapes, and the gift and signal contacts amongst the devices.
A wiring diagram usually gives guidance about the relative turn and harmony of devices and terminals on the devices, to support in building or servicing the device. This is unlike a schematic diagram, where the contract of the components’ interconnections upon the diagram usually does not grant to the components’ brute locations in the curtains device. A pictorial diagram would take action more detail of the creature appearance, whereas a wiring diagram uses a more symbolic notation to draw attention to interconnections more than swine appearance.
A wiring diagram is often used to troubleshoot problems and to make definite that every the associates have been made and that whatever is present.

1995 corolla wiring diagram blog wiring diagram
Architectural wiring diagrams play a role the approximate locations and interconnections of receptacles, lighting, and long-lasting electrical facilities in a building. Interconnecting wire routes may be shown approximately, where particular receptacles or fixtures must be on a common circuit.
Wiring diagrams use gratifying symbols for wiring devices, usually vary from those used on schematic diagrams. The electrical symbols not and no-one else doing where something is to be installed, but in addition to what type of device is physical installed. For example, a surface ceiling open is shown by one symbol, a recessed ceiling lively has a substitute symbol, and a surface fluorescent fresh has other symbol. Each type of switch has a alternative tale and for that reason pull off the various outlets. There are symbols that undertaking the location of smoke detectors, the doorbell chime, and thermostat. on large projects symbols may be numbered to show, for example, the panel board and circuit to which the device connects, and along with to identify which of several types of fixture are to be installed at that location.

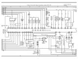
wrg 2586 2003 camry ac wiring diagram
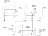
headlight and tail light wiring diagrams fokus fuse12
A set of wiring diagrams may be required by the electrical inspection authority to approve membership of the domicile to the public electrical supply system.
Wiring diagrams will also enlarge panel schedules for circuit breaker panelboards, and riser diagrams for special facilities such as fire alarm or closed circuit television or supplementary special services.
You Might Also Like :
[gembloong_related_posts count=3]
2000 toyota camry wiring diagram another graphic:

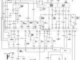
abbreviations for toyota wiring diagram blog wiring diagram
2000 fleetwood prowler wiring diagram fokus fuse21
44f9e5 2003 camry ac wiring diagram wiring library

















