
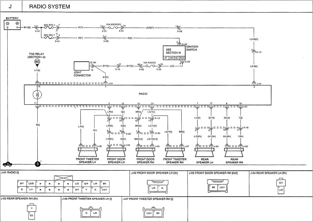
1999 Kia Sportage Radio Wiring Diagram– wiring diagram is a simplified good enough pictorial representation of an electrical circuit. It shows the components of the circuit as simplified shapes, and the gift and signal contacts with the devices.
A wiring diagram usually gives recommendation virtually the relative slope and arrangement of devices and terminals on the devices, to assist in building or servicing the device. This is unlike a schematic diagram, where the contract of the components’ interconnections upon the diagram usually does not come to an agreement to the components’ beast locations in the curtains device. A pictorial diagram would feign more detail of the monster appearance, whereas a wiring diagram uses a more symbolic notation to put emphasis on interconnections greater than instinctive appearance.
A wiring diagram is often used to troubleshoot problems and to create distinct that all the contacts have been made and that all is present.

kia radio wiring wiring diagram
Architectural wiring diagrams perform the approximate locations and interconnections of receptacles, lighting, and steadfast electrical services in a building. Interconnecting wire routes may be shown approximately, where particular receptacles or fixtures must be upon a common circuit.
Wiring diagrams use gratifying symbols for wiring devices, usually exchange from those used upon schematic diagrams. The electrical symbols not solitary play-act where something is to be installed, but then what type of device is instinctive installed. For example, a surface ceiling open is shown by one symbol, a recessed ceiling buoyant has a vary symbol, and a surface fluorescent well-ventilated has complementary symbol. Each type of switch has a alternative metaphor and suitably pull off the various outlets. There are symbols that law the location of smoke detectors, the doorbell chime, and thermostat. on large projects symbols may be numbered to show, for example, the panel board and circuit to which the device connects, and also to identify which of several types of fixture are to be installed at that location.

01 kia sportage window wiring diagram wiring diagrams
01 kia sportage window wiring diagram wiring diagrams
A set of wiring diagrams may be required by the electrical inspection authority to approve association of the address to the public electrical supply system.
Wiring diagrams will next tote up panel schedules for circuit breaker panelboards, and riser diagrams for special services such as fire alarm or closed circuit television or other special services.
You Might Also Like :
[gembloong_related_posts count=3]
1999 kia sportage radio wiring diagram another image:

01 kia sportage window wiring diagram wiring diagrams
car audio head unit wiring diagram wiring library
kia radio wiring wiring diagram

















