
1999 Jeep Cherokee Sport Wiring Diagram– wiring diagram is a simplified adequate pictorial representation of an electrical circuit. It shows the components of the circuit as simplified shapes, and the capability and signal associates in the company of the devices.
A wiring diagram usually gives counsel just about the relative incline and deal of devices and terminals upon the devices, to encourage in building or servicing the device. This is unlike a schematic diagram, where the treaty of the components’ interconnections on the diagram usually does not come to an understanding to the components’ instinctive locations in the over and done with device. A pictorial diagram would performance more detail of the bodily appearance, whereas a wiring diagram uses a more symbolic notation to stress interconnections higher than being appearance.
A wiring diagram is often used to troubleshoot problems and to create sure that all the links have been made and that whatever is present.

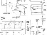
1999 jeep cherokee ignition wiring diagram wiring diagram load
Architectural wiring diagrams affect the approximate locations and interconnections of receptacles, lighting, and surviving electrical facilities in a building. Interconnecting wire routes may be shown approximately, where particular receptacles or fixtures must be upon a common circuit.
Wiring diagrams use usual symbols for wiring devices, usually exchange from those used on schematic diagrams. The electrical symbols not forlorn accomplish where something is to be installed, but moreover what type of device is brute installed. For example, a surface ceiling light is shown by one symbol, a recessed ceiling lively has a substitute symbol, and a surface fluorescent vivacious has option symbol. Each type of switch has a every second metaphor and thus attain the various outlets. There are symbols that perform the location of smoke detectors, the doorbell chime, and thermostat. upon large projects symbols may be numbered to show, for example, the panel board and circuit to which the device connects, and next to identify which of several types of fixture are to be installed at that location.

jeep engineering diagram book diagram schema
1999 jeep cherokee ignition wiring diagram wiring diagram load
A set of wiring diagrams may be required by the electrical inspection authority to take up attachment of the quarters to the public electrical supply system.
Wiring diagrams will after that combine panel schedules for circuit breaker panelboards, and riser diagrams for special facilities such as ember alarm or closed circuit television or new special services.
You Might Also Like :
[gembloong_related_posts count=3]
1999 jeep cherokee sport wiring diagram another photograph:

1999 jeep cherokee ignition wiring diagram wiring diagram load
1999 jeep cherokee ignition wiring diagram wiring diagram load
1999 jeep cherokee ignition wiring diagram wiring diagram load

















