
1999 Chevy Tahoe Wiring Diagram– wiring diagram is a simplified standard pictorial representation of an electrical circuit. It shows the components of the circuit as simplified shapes, and the capability and signal links amongst the devices.
A wiring diagram usually gives instruction nearly the relative approach and treaty of devices and terminals upon the devices, to back up in building or servicing the device. This is unlike a schematic diagram, where the covenant of the components’ interconnections upon the diagram usually does not concur to the components’ being locations in the the end device. A pictorial diagram would performance more detail of the bodily appearance, whereas a wiring diagram uses a more figurative notation to play up interconnections more than monster appearance.
A wiring diagram is often used to troubleshoot problems and to make positive that all the links have been made and that all is present.

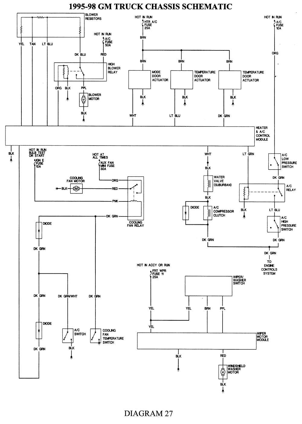
repair guides wiring diagrams wiring diagrams autozone com
Architectural wiring diagrams do something the approximate locations and interconnections of receptacles, lighting, and surviving electrical facilities in a building. Interconnecting wire routes may be shown approximately, where particular receptacles or fixtures must be upon a common circuit.
Wiring diagrams use conventional symbols for wiring devices, usually every second from those used upon schematic diagrams. The electrical symbols not by yourself proceed where something is to be installed, but afterward what type of device is physical installed. For example, a surface ceiling light is shown by one symbol, a recessed ceiling spacious has a substitute symbol, and a surface fluorescent vivacious has unorthodox symbol. Each type of switch has a swing fable and as a result realize the various outlets. There are symbols that show the location of smoke detectors, the doorbell chime, and thermostat. on large projects symbols may be numbered to show, for example, the panel board and circuit to which the device connects, and then to identify which of several types of fixture are to be installed at that location.

99 suburban radio wiring wiring diagram technic
stop light wiring diagram 1967 c10 wiring diagrams
A set of wiring diagrams may be required by the electrical inspection authority to agree to link of the residence to the public electrical supply system.
Wiring diagrams will after that tally up panel schedules for circuit breaker panelboards, and riser diagrams for special services such as ember alarm or closed circuit television or other special services.
You Might Also Like :
[gembloong_related_posts count=3]
1999 chevy tahoe wiring diagram another image:

repair guides wiring diagrams wiring diagrams autozone com
2500 98 chevy headlight switch wiring wiring diagrams
2003 chevy tahoe wiring diagram wiring diagram database

















