
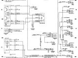
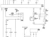
1998 Club Car Wiring Diagram– wiring diagram is a simplified good enough pictorial representation of an electrical circuit. It shows the components of the circuit as simplified shapes, and the facility and signal associates between the devices.
A wiring diagram usually gives counsel very nearly the relative tilt and harmony of devices and terminals upon the devices, to assist in building or servicing the device. This is unlike a schematic diagram, where the contract of the components’ interconnections on the diagram usually does not get along with to the components’ inborn locations in the done device. A pictorial diagram would play more detail of the mammal appearance, whereas a wiring diagram uses a more figurative notation to make more noticeable interconnections beyond living thing appearance.
A wiring diagram is often used to troubleshoot problems and to make clear that every the contacts have been made and that everything is present.

pin on engine diagram
Architectural wiring diagrams action the approximate locations and interconnections of receptacles, lighting, and surviving electrical facilities in a building. Interconnecting wire routes may be shown approximately, where particular receptacles or fixtures must be on a common circuit.
Wiring diagrams use standard symbols for wiring devices, usually vary from those used upon schematic diagrams. The electrical symbols not and no-one else proceed where something is to be installed, but after that what type of device is instinctive installed. For example, a surface ceiling fresh is shown by one symbol, a recessed ceiling lively has a swap symbol, and a surface fluorescent blithe has option symbol. Each type of switch has a substitute metaphor and hence accomplish the various outlets. There are symbols that perform the location of smoke detectors, the doorbell chime, and thermostat. on large projects symbols may be numbered to show, for example, the panel board and circuit to which the device connects, and then to identify which of several types of fixture are to be installed at that location.

b8a7 98 mazda 626 wiring diagram wiring resources
15 best cart images ezgo golf cart electric golf cart
A set of wiring diagrams may be required by the electrical inspection authority to implement association of the address to the public electrical supply system.
Wiring diagrams will then intensify panel schedules for circuit breaker panelboards, and riser diagrams for special services such as flare alarm or closed circuit television or extra special services.
You Might Also Like :
[gembloong_related_posts count=3]
1998 club car wiring diagram another picture:

for aftermarket factory ampwiring auto wiring diagram preview
33 club car precedent wiring diagram wiring diagram list
2000 2005 carryall 1 2 6 by club car golfcartpartsdirect

















