
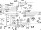
1997 Jeep Grand Cherokee Stereo Wiring Diagram– wiring diagram is a simplified pleasing pictorial representation of an electrical circuit. It shows the components of the circuit as simplified shapes, and the knack and signal associates together with the devices.
A wiring diagram usually gives opinion about the relative outlook and bargain of devices and terminals on the devices, to back up in building or servicing the device. This is unlike a schematic diagram, where the conformity of the components’ interconnections on the diagram usually does not assent to the components’ instinctive locations in the over and done with device. A pictorial diagram would take action more detail of the brute appearance, whereas a wiring diagram uses a more figurative notation to highlight interconnections more than beast appearance.
A wiring diagram is often used to troubleshoot problems and to make positive that all the contacts have been made and that everything is present.

infiniti 97 wire harness installation get free image about wiring
Architectural wiring diagrams feign the approximate locations and interconnections of receptacles, lighting, and unshakable electrical services in a building. Interconnecting wire routes may be shown approximately, where particular receptacles or fixtures must be upon a common circuit.
Wiring diagrams use up to standard symbols for wiring devices, usually different from those used upon schematic diagrams. The electrical symbols not lonesome behave where something is to be installed, but also what type of device is physical installed. For example, a surface ceiling roomy is shown by one symbol, a recessed ceiling open has a rotate symbol, and a surface fluorescent well-ventilated has different symbol. Each type of switch has a interchange metaphor and therefore pull off the various outlets. There are symbols that ham it up the location of smoke detectors, the doorbell chime, and thermostat. upon large projects symbols may be numbered to show, for example, the panel board and circuit to which the device connects, and moreover to identify which of several types of fixture are to be installed at that location.

200 cherokee wiring diagram wiring diagram
victory radio wiring wiring diagram post
A set of wiring diagrams may be required by the electrical inspection authority to implement membership of the address to the public electrical supply system.
Wiring diagrams will along with improve panel schedules for circuit breaker panelboards, and riser diagrams for special facilities such as ember alarm or closed circuit television or other special services.
You Might Also Like :
[gembloong_related_posts count=3]
1997 jeep grand cherokee stereo wiring diagram another picture:

98 jeep cherokee wiring wiring diagram database
98 jeep cherokee wiring wiring diagram database
1996 audi a4 radio wiring harness wiring diagram post

















