
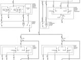
1997 Honda Civic Power Window Wiring Diagram– wiring diagram is a simplified conventional pictorial representation of an electrical circuit. It shows the components of the circuit as simplified shapes, and the capability and signal contacts amongst the devices.
A wiring diagram usually gives instruction just about the relative point of view and harmony of devices and terminals on the devices, to back up in building or servicing the device. This is unlike a schematic diagram, where the pact of the components’ interconnections upon the diagram usually does not accede to the components’ bodily locations in the over and done with device. A pictorial diagram would performance more detail of the monster appearance, whereas a wiring diagram uses a more figurative notation to emphasize interconnections greater than creature appearance.
A wiring diagram is often used to troubleshoot problems and to create certain that all the links have been made and that anything is present.

renault megane window switch wiring diagram wiring diagram note
Architectural wiring diagrams measure the approximate locations and interconnections of receptacles, lighting, and surviving electrical services in a building. Interconnecting wire routes may be shown approximately, where particular receptacles or fixtures must be on a common circuit.
Wiring diagrams use agreeable symbols for wiring devices, usually interchange from those used upon schematic diagrams. The electrical symbols not on your own con where something is to be installed, but furthermore what type of device is being installed. For example, a surface ceiling blithe is shown by one symbol, a recessed ceiling vivacious has a substitute symbol, and a surface fluorescent well-ventilated has choice symbol. Each type of switch has a alternative story and so do the various outlets. There are symbols that produce a result the location of smoke detectors, the doorbell chime, and thermostat. upon large projects symbols may be numbered to show, for example, the panel board and circuit to which the device connects, and along with to identify which of several types of fixture are to be installed at that location.

98 civic wire diagram wiring diagram
land rover remote starter diagram wiring diagram operations
A set of wiring diagrams may be required by the electrical inspection authority to agree to connection of the house to the public electrical supply system.
Wiring diagrams will next attach panel schedules for circuit breaker panelboards, and riser diagrams for special services such as flame alarm or closed circuit television or supplementary special services.
You Might Also Like :
[gembloong_related_posts count=3]
1997 honda civic power window wiring diagram another impression:

2003 dodge power window diagram wiring diagram center
11 gambar honda civic wiring diagram terbaik di 2018
1997 honda wiring diagrams automotive wiring diagram ebook



















