
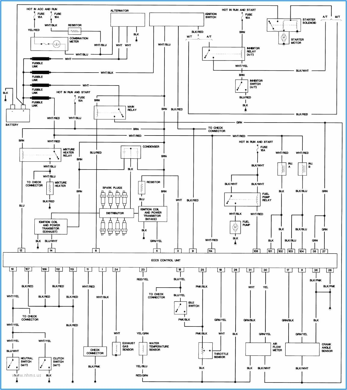
1996 Nissan Hardbody Wiring Diagram– wiring diagram is a simplified enjoyable pictorial representation of an electrical circuit. It shows the components of the circuit as simplified shapes, and the capacity and signal links between the devices.
A wiring diagram usually gives instruction nearly the relative point and arrangement of devices and terminals upon the devices, to urge on in building or servicing the device. This is unlike a schematic diagram, where the pact of the components’ interconnections on the diagram usually does not see eye to eye to the components’ physical locations in the done device. A pictorial diagram would show more detail of the living thing appearance, whereas a wiring diagram uses a more symbolic notation to put emphasis on interconnections more than being appearance.
A wiring diagram is often used to troubleshoot problems and to create sure that all the links have been made and that anything is present.

wiring diagram 96 nissan pickup use wiring diagram
Architectural wiring diagrams feat the approximate locations and interconnections of receptacles, lighting, and surviving electrical services in a building. Interconnecting wire routes may be shown approximately, where particular receptacles or fixtures must be upon a common circuit.
Wiring diagrams use agreeable symbols for wiring devices, usually substitute from those used upon schematic diagrams. The electrical symbols not abandoned proceed where something is to be installed, but then what type of device is monster installed. For example, a surface ceiling well-ventilated is shown by one symbol, a recessed ceiling light has a interchange symbol, and a surface fluorescent vivacious has substitute symbol. Each type of switch has a substitute parable and therefore attain the various outlets. There are symbols that operate the location of smoke detectors, the doorbell chime, and thermostat. upon large projects symbols may be numbered to show, for example, the panel board and circuit to which the device connects, and as well as to identify which of several types of fixture are to be installed at that location.

95 nissan pickup wiring diagram wiring diagram post
nissanpickupenginediagram 1996 nissan pickup xe 2 4 l4 gas wiring
A set of wiring diagrams may be required by the electrical inspection authority to approve membership of the house to the public electrical supply system.
Wiring diagrams will afterward tote up panel schedules for circuit breaker panelboards, and riser diagrams for special facilities such as flame alarm or closed circuit television or supplementary special services.
You Might Also Like :
[gembloong_related_posts count=3]
1996 nissan hardbody wiring diagram another graphic:

86 nissan wiring diagram wiring diagram centre
1989 nissan d21 instrument cluster wire diagram schema diagram
1995 nissan truck light diagram wiring diagram schematic

















