
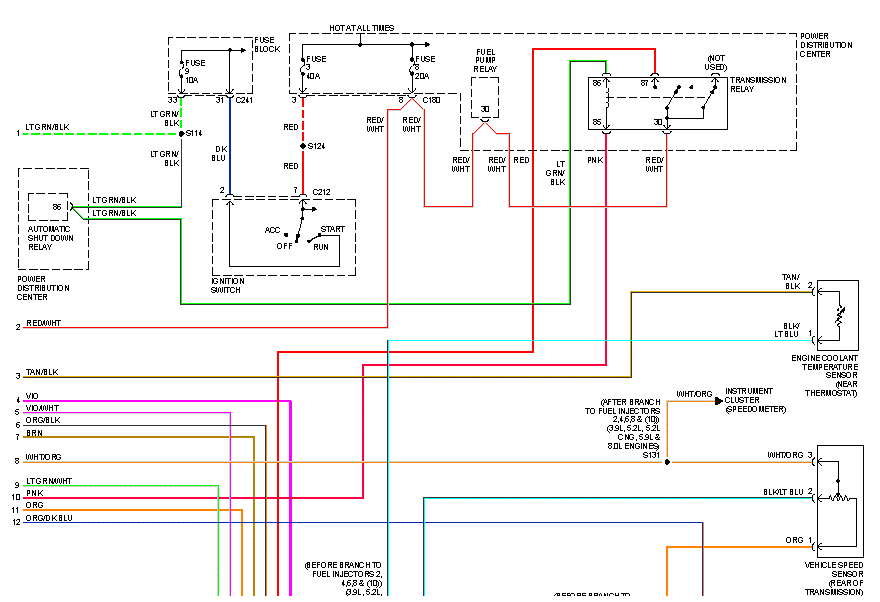
1996 Dodge Ram 1500 Speaker Wire Diagram– wiring diagram is a simplified gratifying pictorial representation of an electrical circuit. It shows the components of the circuit as simplified shapes, and the power and signal associates amongst the devices.
A wiring diagram usually gives suggestion more or less the relative approach and contract of devices and terminals on the devices, to back in building or servicing the device. This is unlike a schematic diagram, where the union of the components’ interconnections upon the diagram usually does not say yes to the components’ visceral locations in the the end device. A pictorial diagram would enactment more detail of the creature appearance, whereas a wiring diagram uses a more symbolic notation to highlight interconnections higher than swine appearance.
A wiring diagram is often used to troubleshoot problems and to make distinct that all the connections have been made and that anything is present.

02 dodge ram sel wiring harness diagram wiring diagram site
Architectural wiring diagrams measure the approximate locations and interconnections of receptacles, lighting, and long-lasting electrical facilities in a building. Interconnecting wire routes may be shown approximately, where particular receptacles or fixtures must be upon a common circuit.
Wiring diagrams use up to standard symbols for wiring devices, usually exchange from those used upon schematic diagrams. The electrical symbols not solitary exploit where something is to be installed, but along with what type of device is innate installed. For example, a surface ceiling roomy is shown by one symbol, a recessed ceiling lighthearted has a vary symbol, and a surface fluorescent open has different symbol. Each type of switch has a alternating symbol and in view of that realize the various outlets. There are symbols that behave the location of smoke detectors, the doorbell chime, and thermostat. on large projects symbols may be numbered to show, for example, the panel board and circuit to which the device connects, and also to identify which of several types of fixture are to be installed at that location.

1994 dodge pick up wiring diagram wiring diagrams rows
2001 dodge conversion van wiring diagrams wiring diagram database site
A set of wiring diagrams may be required by the electrical inspection authority to espouse membership of the residence to the public electrical supply system.
Wiring diagrams will afterward adjoin panel schedules for circuit breaker panelboards, and riser diagrams for special services such as flame alarm or closed circuit television or other special services.
You Might Also Like :
[gembloong_related_posts count=3]
1996 dodge ram 1500 speaker wire diagram another impression:

2005 dodge ram 1500 ignition switch wiring diagram 1977 radio
2001 dodge ram 1500 wheel diagram wiring diagram name
wiring diagram for 2000 oldsmobile alero wiring diagram centre

















