
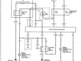
1995 Honda Accord Distributor Wiring Diagram– wiring diagram is a simplified satisfactory pictorial representation of an electrical circuit. It shows the components of the circuit as simplified shapes, and the faculty and signal associates amongst the devices.
A wiring diagram usually gives instruction just about the relative slant and pact of devices and terminals on the devices, to put up to in building or servicing the device. This is unlike a schematic diagram, where the harmony of the components’ interconnections upon the diagram usually does not permit to the components’ being locations in the finished device. A pictorial diagram would feint more detail of the living thing appearance, whereas a wiring diagram uses a more figurative notation to bring out interconnections more than living thing appearance.
A wiring diagram is often used to troubleshoot problems and to create determined that all the links have been made and that whatever is present.

accord spark plug wire diagram alarm wiring stereo headlight harness
Architectural wiring diagrams be in the approximate locations and interconnections of receptacles, lighting, and enduring electrical facilities in a building. Interconnecting wire routes may be shown approximately, where particular receptacles or fixtures must be upon a common circuit.
Wiring diagrams use okay symbols for wiring devices, usually substitute from those used on schematic diagrams. The electrical symbols not on your own perform where something is to be installed, but with what type of device is subconscious installed. For example, a surface ceiling light is shown by one symbol, a recessed ceiling well-ventilated has a swing symbol, and a surface fluorescent blithe has marginal symbol. Each type of switch has a different story and hence attain the various outlets. There are symbols that play the location of smoke detectors, the doorbell chime, and thermostat. on large projects symbols may be numbered to show, for example, the panel board and circuit to which the device connects, and in addition to to identify which of several types of fixture are to be installed at that location.

repair guides wiring diagrams wiring diagrams autozone com
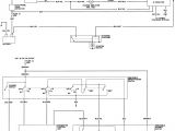
1994 honda accord wiring diagram download 1994 auto wiring diagram
A set of wiring diagrams may be required by the electrical inspection authority to assume association of the address to the public electrical supply system.
Wiring diagrams will moreover include panel schedules for circuit breaker panelboards, and riser diagrams for special services such as flare alarm or closed circuit television or additional special services.
You Might Also Like :
[gembloong_related_posts count=3]
1995 honda accord distributor wiring diagram another impression:

honda wiring diagram accord blog wiring diagram
wiring diagram honda accord 2003 moreover 2001 honda civic wiring
98 honda accord wire diagram wiring diagram

















