1995 ford F150 Alternator Wiring Diagram


Warning: count(): Parameter must be an array or an object that implements Countable in /var/www/html/autocardesign.org/wp-content/themes/silegan-wordpress-theme/inc/themeson.class.php on line 625
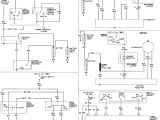
1995 ford F150 Alternator Wiring Diagram Ebbb2d5 92 ford F 150 Alternator Wiring Diagram Wiring Library
1995 ford F150 Alternator Wiring Diagram Ebbb2d5 92 ford F 150 Alternator Wiring Diagram Wiring Library