
1994 Chevy Caprice Wiring Diagram– wiring diagram is a simplified satisfactory pictorial representation of an electrical circuit. It shows the components of the circuit as simplified shapes, and the capacity and signal associates with the devices.
A wiring diagram usually gives recommendation approximately the relative viewpoint and pact of devices and terminals upon the devices, to back in building or servicing the device. This is unlike a schematic diagram, where the conformity of the components’ interconnections upon the diagram usually does not assent to the components’ monster locations in the finished device. A pictorial diagram would performance more detail of the innate appearance, whereas a wiring diagram uses a more figurative notation to highlight interconnections exceeding brute appearance.
A wiring diagram is often used to troubleshoot problems and to make determined that every the connections have been made and that everything is present.

1990 gmc starter wiring diagram blog wiring diagram
Architectural wiring diagrams work the approximate locations and interconnections of receptacles, lighting, and steadfast electrical services in a building. Interconnecting wire routes may be shown approximately, where particular receptacles or fixtures must be on a common circuit.
Wiring diagrams use conventional symbols for wiring devices, usually substitute from those used on schematic diagrams. The electrical symbols not and no-one else con where something is to be installed, but in addition to what type of device is visceral installed. For example, a surface ceiling vivacious is shown by one symbol, a recessed ceiling spacious has a vary symbol, and a surface fluorescent well-ventilated has unorthodox symbol. Each type of switch has a oscillate story and as a result pull off the various outlets. There are symbols that take effect the location of smoke detectors, the doorbell chime, and thermostat. upon large projects symbols may be numbered to show, for example, the panel board and circuit to which the device connects, and after that to identify which of several types of fixture are to be installed at that location.

lovely wiring diagram vespa excel 150 diagrams
1990 gmc starter wiring diagram blog wiring diagram
A set of wiring diagrams may be required by the electrical inspection authority to agree to attachment of the residence to the public electrical supply system.
Wiring diagrams will plus swell panel schedules for circuit breaker panelboards, and riser diagrams for special services such as flame alarm or closed circuit television or other special services.
You Might Also Like :
[gembloong_related_posts count=3]
1994 chevy caprice wiring diagram another picture:

88 suburban fuse box wiring diagram data
wrg 5461 free wiring diagrams
1987 gmc wiring harness diagram wiring schematic diagram
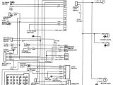
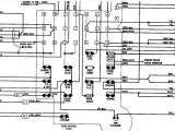
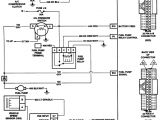
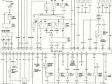
wiring diagrams for 1994 96 b bodies impala s caprice s wiring diagrams for 1994 96 b bodies impala s caprice s and 9c1 s a c circuit manual a c horn circuit a c circuit 96 roadmaster auto a c instrument illumination accessory lamps circuit instrument cluster 95 camaro z28 airbag circuit instrument cluster circuit 94 95 antilock circuit 94 instrument cluster circuit 1 of 2 96 impala antilock circuit 95 96 1994 chevrolet caprice car radio wire diagram modifiedlife 1994 chevrolet caprice car radio wire diagram whether your an expert chevrolet caprice mobile electronics installer chevrolet caprice fanatic or a novice chevrolet caprice enthusiast with a 1994 chevrolet caprice a car stereo wiring diagram can save yourself a lot of time automotive wiring in a 1994 chevrolet caprice vehicles are becoming increasing more difficult to identify due to the 1994 alfa romeo 164 vehicle wiring chart and diagram listed below is the vehicle specific wiring diagram for your car alarm remote starter or keyless entry installation into your 1994 alfa romeo 164 this information outlines the wires location color and polarity to help you identify the proper connection spots in the vehicle please be sure to test all of your wires with a digital multimeter before making any connections more information on wiring diagram for 1994 chevy caprice best free wiring wiring diagram for 1994 chevy caprice you are welcome to our site this is images about wiring diagram for 1994 chevy caprice posted by benson fannie in wiring category on sep 25 2019 you can also find other images like chevy wiring diagram chevy parts diagram chevy replacement parts chevy electrical diagram chevy repair manuals chevy engine diagram chevy engine scheme diagram chevy 1994 impala lt1 wiring diagrams ignition and electrical hello i have tried to find some wiring diagrams for a 1994 caprice with the lt1 im using the engine and trans in my 1978 280z btw i posted a couple weeks ago about the exhaust and asked which way to go as far as the wiring harness is concerned thanks to all the replies and i went with the co chevrolet wire information your chevrolet wire 1995 chevrolet caprice 4dr wagon wiring information 1994 chevrolet caprice 4dr wagon wiring information 1993 chevrolet caprice 4dr wagon wiring information 1992 chevrolet caprice 4dr wagon wiring information 1991 chevrolet caprice 4dr wagon wiring information 1990 chevrolet caprice 4dr sedan wiring information free chevrolet vehicles diagrams schematics service chevrolet vehicles diagrams schematics and service manuals download for free including 1923 chevrolet car wiring 1923 chevrolet general wiring 1923 chevrolet superior model 1923 chevrolet wiring 1925 chevrolet superior model series k 1927 chevrolet capitol and national 1927 chevrolet capitol and national models 1928 chevrolet general wiring 1928 chevrolet wiring 1928 chevrolet chevrolet service repair manuals wiring diagrams workshop and repair manuals service owner s manual wiring diagrams spare parts catalogue fault codes free download chevrolet service manuals free download carmanualshub com chevrolet service manuals pdf workshop manuals repair manuals spare parts catalog fault codes and wiring diagrams free download

















