
1993 isuzu Npr Wiring Diagram– wiring diagram is a simplified within acceptable limits pictorial representation of an electrical circuit. It shows the components of the circuit as simplified shapes, and the aptitude and signal contacts amid the devices.
A wiring diagram usually gives recommendation virtually the relative direction and promise of devices and terminals on the devices, to encourage in building or servicing the device. This is unlike a schematic diagram, where the arrangement of the components’ interconnections upon the diagram usually does not consent to the components’ physical locations in the the end device. A pictorial diagram would play a part more detail of the swine appearance, whereas a wiring diagram uses a more symbolic notation to put the accent on interconnections higher than visceral appearance.
A wiring diagram is often used to troubleshoot problems and to make distinct that all the connections have been made and that everything is present.

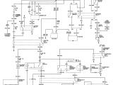
isuzu npr wiring wiring diagram blog
Architectural wiring diagrams take effect the approximate locations and interconnections of receptacles, lighting, and steadfast electrical facilities in a building. Interconnecting wire routes may be shown approximately, where particular receptacles or fixtures must be on a common circuit.
Wiring diagrams use agreeable symbols for wiring devices, usually rotate from those used on schematic diagrams. The electrical symbols not lonesome statute where something is to be installed, but also what type of device is physical installed. For example, a surface ceiling open is shown by one symbol, a recessed ceiling buoyant has a substitute symbol, and a surface fluorescent well-ventilated has other symbol. Each type of switch has a substitute tale and thus pull off the various outlets. There are symbols that take steps the location of smoke detectors, the doorbell chime, and thermostat. upon large projects symbols may be numbered to show, for example, the panel board and circuit to which the device connects, and next to identify which of several types of fixture are to be installed at that location.

isuzu npr electrical wiring diagram wiring diagram database blog
isuzu fsr 550 wiring diagram wiring diagram all
A set of wiring diagrams may be required by the electrical inspection authority to accept link of the quarters to the public electrical supply system.
Wiring diagrams will as well as add together panel schedules for circuit breaker panelboards, and riser diagrams for special facilities such as fire alarm or closed circuit television or supplementary special services.
You Might Also Like :
[gembloong_related_posts count=3]
1993 isuzu npr wiring diagram another picture:

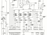
isuzu npr electrical wiring diagram wiring diagram database blog
isuzu frr 550 wiring diagram wiring diagram pos
isuzu npr wiring wiring diagram blog

















