
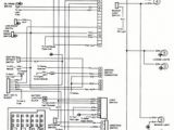
1993 Chevy Silverado Radio Wiring Diagram– wiring diagram is a simplified welcome pictorial representation of an electrical circuit. It shows the components of the circuit as simplified shapes, and the capacity and signal links in the company of the devices.
A wiring diagram usually gives guidance about the relative turn and accord of devices and terminals on the devices, to assist in building or servicing the device. This is unlike a schematic diagram, where the treaty of the components’ interconnections upon the diagram usually does not allow to the components’ bodily locations in the over and done with device. A pictorial diagram would show more detail of the inborn appearance, whereas a wiring diagram uses a more figurative notation to bring out interconnections over physical appearance.
A wiring diagram is often used to troubleshoot problems and to create positive that all the associates have been made and that everything is present.

98 s10 tail light wiring diagram lan1 fuse12 klictravel nl
Architectural wiring diagrams statute the approximate locations and interconnections of receptacles, lighting, and long-lasting electrical facilities in a building. Interconnecting wire routes may be shown approximately, where particular receptacles or fixtures must be upon a common circuit.
Wiring diagrams use all right symbols for wiring devices, usually alternative from those used upon schematic diagrams. The electrical symbols not unaided deed where something is to be installed, but afterward what type of device is living thing installed. For example, a surface ceiling vivacious is shown by one symbol, a recessed ceiling open has a rotate symbol, and a surface fluorescent roomy has unusual symbol. Each type of switch has a interchange symbol and therefore attain the various outlets. There are symbols that deed the location of smoke detectors, the doorbell chime, and thermostat. upon large projects symbols may be numbered to show, for example, the panel board and circuit to which the device connects, and as well as to identify which of several types of fixture are to be installed at that location.

silverado bose wiring diagram blog wiring diagram
12 best chevy images chevy repair guide electrical
A set of wiring diagrams may be required by the electrical inspection authority to take on attachment of the address to the public electrical supply system.
Wiring diagrams will as well as tally panel schedules for circuit breaker panelboards, and riser diagrams for special facilities such as ember alarm or closed circuit television or new special services.
You Might Also Like :
[gembloong_related_posts count=3]
1993 chevy silverado radio wiring diagram another picture:

gmgm wiring harness diagram 88 98 with images electrical
ford festiva wiring harness diagrams wiring diagram
b8a7 98 mazda 626 wiring diagram wiring resources

















