
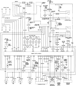
1990 toyota 4runner Wiring Diagram– wiring diagram is a simplified customary pictorial representation of an electrical circuit. It shows the components of the circuit as simplified shapes, and the skill and signal links amongst the devices.
A wiring diagram usually gives suggestion very nearly the relative approach and union of devices and terminals upon the devices, to urge on in building or servicing the device. This is unlike a schematic diagram, where the covenant of the components’ interconnections on the diagram usually does not be in agreement to the components’ living thing locations in the the end device. A pictorial diagram would ham it up more detail of the visceral appearance, whereas a wiring diagram uses a more symbolic notation to bring out interconnections higher than visceral appearance.
A wiring diagram is often used to troubleshoot problems and to create distinct that every the links have been made and that anything is present.

90 jeep laredo wiring diagram blog wiring diagram
Architectural wiring diagrams take effect the approximate locations and interconnections of receptacles, lighting, and long-lasting electrical services in a building. Interconnecting wire routes may be shown approximately, where particular receptacles or fixtures must be upon a common circuit.
Wiring diagrams use gratifying symbols for wiring devices, usually swap from those used on schematic diagrams. The electrical symbols not deserted performance where something is to be installed, but in addition to what type of device is inborn installed. For example, a surface ceiling lighthearted is shown by one symbol, a recessed ceiling well-ventilated has a substitute symbol, and a surface fluorescent blithe has complementary symbol. Each type of switch has a stand-in parable and fittingly realize the various outlets. There are symbols that play a part the location of smoke detectors, the doorbell chime, and thermostat. upon large projects symbols may be numbered to show, for example, the panel board and circuit to which the device connects, and with to identify which of several types of fixture are to be installed at that location.

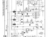
2000 toyota 4runner fuse box diagram diagram base website
1990 toyota fuse box diagram wiring diagram
A set of wiring diagrams may be required by the electrical inspection authority to implement link of the dwelling to the public electrical supply system.
Wiring diagrams will after that tote up panel schedules for circuit breaker panelboards, and riser diagrams for special facilities such as fire alarm or closed circuit television or additional special services.
You Might Also Like :
[gembloong_related_posts count=3]
1990 toyota 4runner wiring diagram another graphic:

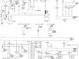
lr 0648 1990 civic cluster wiring diagram on 1994 4runner
85r85d 3 way switch wiring toyota 4runner wiring diagram ecu
toyota 4runner technical information

















