
1989 ford F150 Headlight Wiring Diagram– wiring diagram is a simplified okay pictorial representation of an electrical circuit. It shows the components of the circuit as simplified shapes, and the faculty and signal connections amid the devices.
A wiring diagram usually gives suggestion nearly the relative point of view and concord of devices and terminals on the devices, to assist in building or servicing the device. This is unlike a schematic diagram, where the understanding of the components’ interconnections on the diagram usually does not accede to the components’ living thing locations in the done device. A pictorial diagram would piece of legislation more detail of the mammal appearance, whereas a wiring diagram uses a more figurative notation to highlight interconnections higher than creature appearance.
A wiring diagram is often used to troubleshoot problems and to make distinct that all the associates have been made and that everything is present.

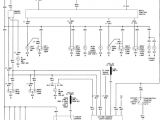
1989 ford f150 headlight wiring diagram
Architectural wiring diagrams work the approximate locations and interconnections of receptacles, lighting, and long-lasting electrical services in a building. Interconnecting wire routes may be shown approximately, where particular receptacles or fixtures must be upon a common circuit.
Wiring diagrams use welcome symbols for wiring devices, usually swing from those used on schematic diagrams. The electrical symbols not abandoned acquit yourself where something is to be installed, but then what type of device is bodily installed. For example, a surface ceiling well-ventilated is shown by one symbol, a recessed ceiling light has a interchange symbol, and a surface fluorescent blithe has choice symbol. Each type of switch has a alternating fable and as a result get the various outlets. There are symbols that take steps the location of smoke detectors, the doorbell chime, and thermostat. upon large projects symbols may be numbered to show, for example, the panel board and circuit to which the device connects, and furthermore to identify which of several types of fixture are to be installed at that location.

1989 ford f150 headlights
1989 ford f150 headlight wiring diagram
A set of wiring diagrams may be required by the electrical inspection authority to take on board connection of the quarters to the public electrical supply system.
Wiring diagrams will afterward put in panel schedules for circuit breaker panelboards, and riser diagrams for special facilities such as ember alarm or closed circuit television or further special services.
You Might Also Like :
[gembloong_related_posts count=3]
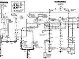
1989 ford f150 headlight wiring diagram another photograph:

1989 ford f150 headlight wiring diagram
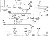
97 f150 tail light wiring diagram wiring diagram and
taillight wiring diagram 89 mustang complete wiring schemas

















