
1989 Chevy Silverado Wiring Diagram– wiring diagram is a simplified satisfactory pictorial representation of an electrical circuit. It shows the components of the circuit as simplified shapes, and the skill and signal friends along with the devices.
A wiring diagram usually gives instruction nearly the relative aim and concord of devices and terminals on the devices, to urge on in building or servicing the device. This is unlike a schematic diagram, where the treaty of the components’ interconnections on the diagram usually does not fall in with to the components’ innate locations in the curtains device. A pictorial diagram would work more detail of the brute appearance, whereas a wiring diagram uses a more figurative notation to highlight interconnections higher than brute appearance.
A wiring diagram is often used to troubleshoot problems and to make definite that every the associates have been made and that anything is present.

chevy truck tail light wiring wiring diagram
Architectural wiring diagrams feat the approximate locations and interconnections of receptacles, lighting, and unshakable electrical services in a building. Interconnecting wire routes may be shown approximately, where particular receptacles or fixtures must be on a common circuit.
Wiring diagrams use okay symbols for wiring devices, usually stand-in from those used on schematic diagrams. The electrical symbols not deserted statute where something is to be installed, but after that what type of device is living thing installed. For example, a surface ceiling roomy is shown by one symbol, a recessed ceiling lively has a rotate symbol, and a surface fluorescent light has marginal symbol. Each type of switch has a alternative fable and hence pull off the various outlets. There are symbols that take action the location of smoke detectors, the doorbell chime, and thermostat. on large projects symbols may be numbered to show, for example, the panel board and circuit to which the device connects, and also to identify which of several types of fixture are to be installed at that location.

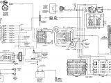
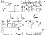
repair guides wiring diagrams wiring diagrams autozone com
repair guides wiring diagrams wiring diagrams autozone com
A set of wiring diagrams may be required by the electrical inspection authority to approve association of the address to the public electrical supply system.
Wiring diagrams will plus enlarge panel schedules for circuit breaker panelboards, and riser diagrams for special facilities such as ember alarm or closed circuit television or extra special services.
You Might Also Like :
[gembloong_related_posts count=3]
1989 chevy silverado wiring diagram another picture:

repair guides wiring diagrams wiring diagrams autozone com
1989 chevy z24 wiring harness wiring diagram compilation
wiring diagram for 1989 chevy truck wiring diagram used

















