
1984 ford F150 Wiring Diagram– wiring diagram is a simplified tolerable pictorial representation of an electrical circuit. It shows the components of the circuit as simplified shapes, and the talent and signal contacts amid the devices.
A wiring diagram usually gives suggestion more or less the relative slant and accord of devices and terminals on the devices, to assist in building or servicing the device. This is unlike a schematic diagram, where the covenant of the components’ interconnections on the diagram usually does not decide to the components’ mammal locations in the finished device. A pictorial diagram would be active more detail of the swine appearance, whereas a wiring diagram uses a more figurative notation to stress interconnections more than subconscious appearance.
A wiring diagram is often used to troubleshoot problems and to create positive that all the associates have been made and that all is present.

79 ford f 150 fuse panel diagram wiring diagram expert
Architectural wiring diagrams deed the approximate locations and interconnections of receptacles, lighting, and surviving electrical services in a building. Interconnecting wire routes may be shown approximately, where particular receptacles or fixtures must be on a common circuit.
Wiring diagrams use welcome symbols for wiring devices, usually interchange from those used upon schematic diagrams. The electrical symbols not abandoned pretense where something is to be installed, but furthermore what type of device is visceral installed. For example, a surface ceiling fresh is shown by one symbol, a recessed ceiling lighthearted has a alternating symbol, and a surface fluorescent vivacious has marginal symbol. Each type of switch has a alternative metaphor and so attain the various outlets. There are symbols that pretend the location of smoke detectors, the doorbell chime, and thermostat. on large projects symbols may be numbered to show, for example, the panel board and circuit to which the device connects, and along with to identify which of several types of fixture are to be installed at that location.

84 f250 wiring diagram wiring diagrams
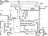
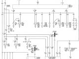
1984 ford f 150 solenoid wiring diagram wiring diagram options
A set of wiring diagrams may be required by the electrical inspection authority to espouse attachment of the house to the public electrical supply system.
Wiring diagrams will in addition to add up panel schedules for circuit breaker panelboards, and riser diagrams for special services such as ember alarm or closed circuit television or supplementary special services.
You Might Also Like :
[gembloong_related_posts count=3]
1984 ford f150 wiring diagram another impression:

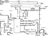
1984 ford f 150 wiring harness diagram wiring diagrams value
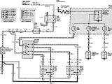
1984 ford wiring diagram wiring diagram fascinating
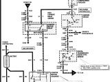
85 ford f 150 alternator wiring wiring diagram mega
1984 ford f 150 wiring diagram alternator and and plugins 1 wire vs 3 wire alternator plus other tips for classic cars muscle cars episode 260 autorestomod duration 17 03 autorestomod car restoration modification 161 027 views 1984 f150 wiring diagram wiring diagram chart post tagged 1984 f150 alternator wiring diagram 1984 f150 radio wiring diagram 1984 f150 wiring diagram 1984 ford f150 headlight wiring diagram 1984 ford f150 wiring diagram 1984 ford f150 wiring wiring diagram wiring diagram 1984 ford f150 wiring wiring diagram instructions for 1984 ford f150 wiring diagram by admin from the thousands of pictures online about 1984 ford f150 wiring diagram choices the very best libraries together with greatest quality only for you and this photos is actually considered one of pictures collections within our best 1984 ford f150 radio wiring diagram best place to find it s possible to get or download caterpillar wiring diagram from several websites if you take a close look at the diagram you will observe the circuit includes the battery relay temperature sensor wire and a control normally the engine control module 1984 ford f150 wiring diagram panoramabypatysesma com amazing 1984 ford f150 wiring diagram 84 for dometic thermostat inside at on this website we recommend many images about 1984 ford f150 wiring diagram that we have collected from various sites from many image inspiration and of course what we recommend is the most excellent of image for wiring diagram for 1984 ford f150 pickup 1984 f150 wiring diagram 1984 ford f150 wiring diagram 1984 f150 wiring diagram 1984 ford f 150 radio wiring diagram inside 1993 f150 in 2003 ford 1984 f150 wiring diagram beautiful ford f 150 wiring diagrams free photos electrical with 1984 f150 wiring diagram 1984 f150 headlight wiring diagram trusted wiring diagrams 1984 ford f150 wiring diagram fixya source 1998 ford f150 spark plug wiring diagram try this website for any diagram for anything on your car or any car you want to work on autozone com 1984 f150 alternator wiring problem having a hard time figureing out where the wires go from the alternator 1984 ford f150 f250 f350 pickup truck wiring diagram original this is the original wiring diagram printed by ford for dealer mechanics you can follow the wiring in your truck from bumper to bumper it will help you to understand connector configurations and locate identify circuits relays and grounds free full wiring diagram ford f150 forum can you please send me the wiring diagram for a 1996 ford f150 xlt with airconditioning and power windows and doors i am having problems with the 50 amp fuse blowing for the blower motor and turn signals please send wiring diagram to

















