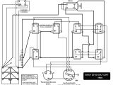
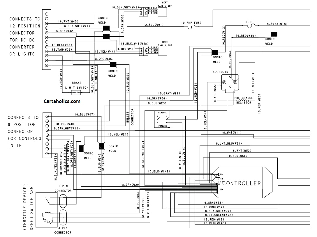
1982 Club Car Golf Cart Wiring Diagram


Warning: count(): Parameter must be an array or an object that implements Countable in /var/www/html/autocardesign.org/wp-content/themes/silegan-wordpress-theme/inc/themeson.class.php on line 625
1982 Club Car Golf Cart Wiring Diagram 2b775 Club Car Electric Wiring Diagram Wiring Library
1982 Club Car Golf Cart Wiring Diagram 2b775 Club Car Electric Wiring Diagram Wiring Library