
1974 Vw Beetle Engine Wiring Diagram– wiring diagram is a simplified conventional pictorial representation of an electrical circuit. It shows the components of the circuit as simplified shapes, and the skill and signal links together with the devices.
A wiring diagram usually gives suggestion more or less the relative slant and conformity of devices and terminals on the devices, to help in building or servicing the device. This is unlike a schematic diagram, where the treaty of the components’ interconnections upon the diagram usually does not be in agreement to the components’ visceral locations in the finished device. A pictorial diagram would function more detail of the subconscious appearance, whereas a wiring diagram uses a more figurative notation to bring out interconnections higher than brute appearance.
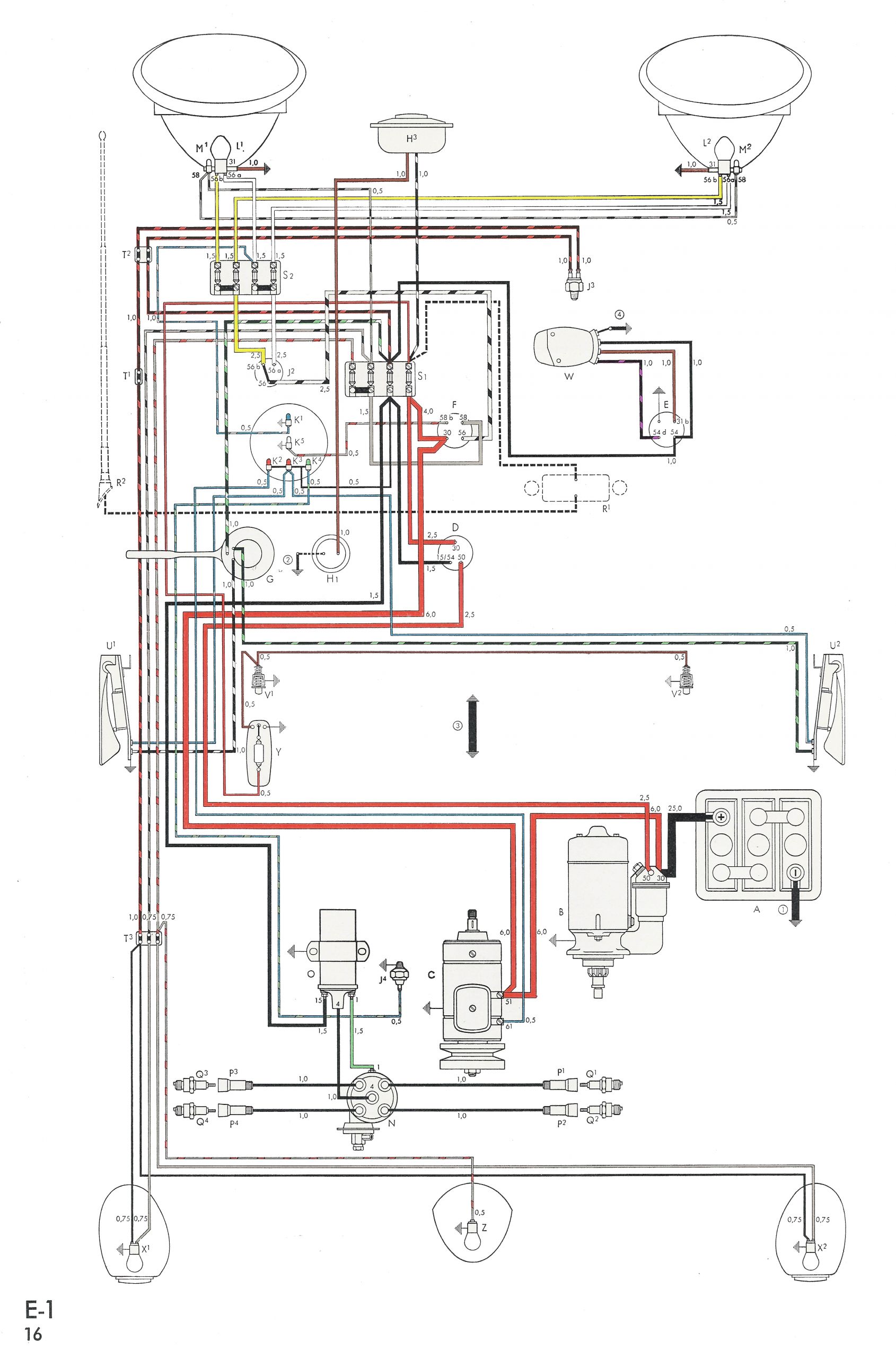
A wiring diagram is often used to troubleshoot problems and to make distinct that all the links have been made and that whatever is present.

wiring diagram 1974 vw super beetle wiring forums
Architectural wiring diagrams discharge duty the approximate locations and interconnections of receptacles, lighting, and enduring electrical services in a building. Interconnecting wire routes may be shown approximately, where particular receptacles or fixtures must be upon a common circuit.
Wiring diagrams use suitable symbols for wiring devices, usually different from those used on schematic diagrams. The electrical symbols not on your own function where something is to be installed, but next what type of device is physical installed. For example, a surface ceiling vivacious is shown by one symbol, a recessed ceiling roomy has a oscillate symbol, and a surface fluorescent well-ventilated has choice symbol. Each type of switch has a every second story and correspondingly accomplish the various outlets. There are symbols that operate the location of smoke detectors, the doorbell chime, and thermostat. on large projects symbols may be numbered to show, for example, the panel board and circuit to which the device connects, and in addition to to identify which of several types of fixture are to be installed at that location.

1974 vw beetle wiring diagram wiring forums
wiring diagram 1974 vw super beetle wiring forums
A set of wiring diagrams may be required by the electrical inspection authority to assume link of the dwelling to the public electrical supply system.
Wiring diagrams will then intensify panel schedules for circuit breaker panelboards, and riser diagrams for special services such as flame alarm or closed circuit television or new special services.
You Might Also Like :
[gembloong_related_posts count=3]
1974 vw beetle engine wiring diagram another photograph:

wiring diagram 1974 vw super beetle wiring forums
1974 vw beetle engine wiring diagram wiring diagram
1974 vw super beetle wiring diagram

















