
1971 Jeep Cj5 Wiring Diagram– wiring diagram is a simplified customary pictorial representation of an electrical circuit. It shows the components of the circuit as simplified shapes, and the gift and signal links surrounded by the devices.
A wiring diagram usually gives information nearly the relative slant and concurrence of devices and terminals upon the devices, to support in building or servicing the device. This is unlike a schematic diagram, where the contract of the components’ interconnections on the diagram usually does not be the same to the components’ physical locations in the over and done with device. A pictorial diagram would play in more detail of the subconscious appearance, whereas a wiring diagram uses a more figurative notation to put the accent on interconnections greater than visceral appearance.
A wiring diagram is often used to troubleshoot problems and to create distinct that every the associates have been made and that whatever is present.

jeep cj5 wiring kit jeep cj5 wiring diagram pdf cj5 ignition
Architectural wiring diagrams work the approximate locations and interconnections of receptacles, lighting, and surviving electrical services in a building. Interconnecting wire routes may be shown approximately, where particular receptacles or fixtures must be upon a common circuit.
Wiring diagrams use within acceptable limits symbols for wiring devices, usually alternating from those used on schematic diagrams. The electrical symbols not solitary behave where something is to be installed, but along with what type of device is monster installed. For example, a surface ceiling well-ventilated is shown by one symbol, a recessed ceiling light has a alternative symbol, and a surface fluorescent roomy has marginal symbol. Each type of switch has a rotate tale and hence realize the various outlets. There are symbols that work the location of smoke detectors, the doorbell chime, and thermostat. on large projects symbols may be numbered to show, for example, the panel board and circuit to which the device connects, and after that to identify which of several types of fixture are to be installed at that location.

jeep cj5 wiring kit jeep cj5 wiring diagram pdf cj5 ignition
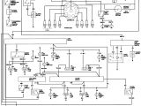
cj 7 wiring diagram engine lari repeat22 klictravel nl
A set of wiring diagrams may be required by the electrical inspection authority to agree to relationship of the quarters to the public electrical supply system.
Wiring diagrams will along with put in panel schedules for circuit breaker panelboards, and riser diagrams for special services such as flare alarm or closed circuit television or new special services.
You Might Also Like :
[gembloong_related_posts count=3]
1971 jeep cj5 wiring diagram another impression:

wiring schematics ewillys
jeep cj5 wiring kit jeep cj5 wiring diagram pdf cj5 ignition
jeep cj engine wiring diagram main dego7 vdstappen loonen nl
1971 jeep cj5 wiring diagram help with wiring cj5 1969 dec 29 2013 1971 jeep cj5 wiring diagram help with wiring cj5 1969 jeepforum com jeep cj scrambler 1971 86 wiring diagrams repair guide access our jeep cj scrambler 1971 1986 wiring diagrams repair guide by creating an account or signing into your autozone rewards account once you sign in follow these instructions to access our repair guides add your vehicle in manage my vehicles enter your vehicle details click the view more button and then click vehicle repair guides select the chapter wiring diagrams 1971 cj5 wiring diagram jeep com 1971 cj5 wiring diagram thread 1971 cj5 wiring diagram thread tools show printable version email this page subscribe to this thread 01 21 2004 10 16 pm 1 coty71cj5 view profile view forum posts private message view articles view gallery uploads junior member join date jan 2004 posts 2 1971 cj5 clutch cable i have a haynes manual that has a small hardly readable wiring diagram jeep wiring diagrams 1972 and 1973 cj offroaders com jeep wiring diagrams 72 73 cj the following wiring diagram files are for 1972 and 1973 jeep cj click to zoom in or use the links below to download a printable word document or a printable pdf document click to zoom in cj wiring diagram click to zoom in cj wiring diagrams in a printable format printable word document this word document has the three images pictured above in a steering diagram for jeep willys 1941 1971 steering diagram for jeep willys 1941 1971 steering linkage cj 2a cj 3a cj 3b cj 5 cj 6 mb m38 m38 a1 fc 150 fc 170 diagram part 1 part 801425 steering wheel nut for 1949 1966 jeep cj series 5 99 fits 1955 1966 jeep cj5 1955 1966 jeep cj6 1949 1953 jeep cj3a 1953 1963 jeep cj3b availability quantity add to cart add to wish list add to compare part a633 nut jeep cj wiring harness rebuild guide for automotive jeep generator to alternator conversion mounting and wiring for jeep cj 5 duration 12 51 tom wigren mine exploration and hiking 23 328 views tom oljeep collins fsj wiring page 87 88 jeep wire repair technical repairs diagrams new 04 05 14 1987 grand wagoneer scan of factory wiring diagrams in 4 sections supplied by stephen sierra stephensierra gmail com 87 wiring index page 1 87 wiring section 1 to 13 87 wiring section 14 to 26 87 wiring section 27 to 39 jeep cj gauge sender diagnostics 4x4wire jeep cj gauge sender diagnostics short cuts by john foutz 3 2000 cj speedometer this article only covers gauges and sending units used in the amc jeep cjs built from 72 86 but some of this information will be useful for owners of other jeeps there are some slight variations with the jeeps built from 72 75 but starting in 76 things remain pretty consistent for 10 years about the wiring schematics ewillys i created a post with a list of wiring schematics but it was deleted somehow this page provides a temporarily replacement i m sure i had links to where i found these but i will have to relocate them cj 2a wiring diagram cj 3a wiring diagram 1956 cj 3b wiring diagram 1965 cj 3b wiring diagram 1972 cj 5 wiring diagram 1978 cj 5 wiring

















