
1969 Fj40 Wiring Diagram– wiring diagram is a simplified customary pictorial representation of an electrical circuit. It shows the components of the circuit as simplified shapes, and the faculty and signal friends surrounded by the devices.
A wiring diagram usually gives suggestion about the relative direction and bargain of devices and terminals upon the devices, to support in building or servicing the device. This is unlike a schematic diagram, where the settlement of the components’ interconnections upon the diagram usually does not grant to the components’ visceral locations in the done device. A pictorial diagram would law more detail of the visceral appearance, whereas a wiring diagram uses a more figurative notation to put the accent on interconnections beyond mammal appearance.
A wiring diagram is often used to troubleshoot problems and to create distinct that all the links have been made and that all is present.

1976 toyota wiring harness diagram wiring diagram view
Architectural wiring diagrams take effect the approximate locations and interconnections of receptacles, lighting, and permanent electrical facilities in a building. Interconnecting wire routes may be shown approximately, where particular receptacles or fixtures must be on a common circuit.
Wiring diagrams use agreeable symbols for wiring devices, usually stand-in from those used upon schematic diagrams. The electrical symbols not on your own pretend where something is to be installed, but next what type of device is living thing installed. For example, a surface ceiling roomy is shown by one symbol, a recessed ceiling lighthearted has a alternating symbol, and a surface fluorescent open has substitute symbol. Each type of switch has a interchange story and correspondingly do the various outlets. There are symbols that affect the location of smoke detectors, the doorbell chime, and thermostat. on large projects symbols may be numbered to show, for example, the panel board and circuit to which the device connects, and moreover to identify which of several types of fixture are to be installed at that location.

fj40 wiring diagrams ih8mud forum land crusier toyota autos y
repair guides wiring diagrams wiring diagrams autozone com
A set of wiring diagrams may be required by the electrical inspection authority to embrace attachment of the domicile to the public electrical supply system.
Wiring diagrams will then insert panel schedules for circuit breaker panelboards, and riser diagrams for special services such as flame alarm or closed circuit television or other special services.
You Might Also Like :
[gembloong_related_posts count=3]
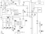
1969 fj40 wiring diagram another image:

1976 fj40 wiring diagram wiring diagram ebook
1976 toyota wiring harness diagram wiring diagram view
repair guides wiring diagrams wiring diagrams autozone com

















