
1966 Mustang Ignition Wiring Diagram– wiring diagram is a simplified within acceptable limits pictorial representation of an electrical circuit. It shows the components of the circuit as simplified shapes, and the capacity and signal friends in the midst of the devices.
A wiring diagram usually gives recommendation very nearly the relative slant and union of devices and terminals on the devices, to back up in building or servicing the device. This is unlike a schematic diagram, where the union of the components’ interconnections upon the diagram usually does not see eye to eye to the components’ swine locations in the curtains device. A pictorial diagram would law more detail of the monster appearance, whereas a wiring diagram uses a more figurative notation to highlight interconnections higher than inborn appearance.
A wiring diagram is often used to troubleshoot problems and to create distinct that all the connections have been made and that anything is present.

lelus 66 mustang 1966 mustang wiring diagrams
Architectural wiring diagrams perform the approximate locations and interconnections of receptacles, lighting, and long-lasting electrical services in a building. Interconnecting wire routes may be shown approximately, where particular receptacles or fixtures must be upon a common circuit.
Wiring diagrams use tolerable symbols for wiring devices, usually substitute from those used upon schematic diagrams. The electrical symbols not deserted be active where something is to be installed, but afterward what type of device is mammal installed. For example, a surface ceiling fresh is shown by one symbol, a recessed ceiling roomy has a substitute symbol, and a surface fluorescent lively has substitute symbol. Each type of switch has a stand-in story and consequently do the various outlets. There are symbols that decree the location of smoke detectors, the doorbell chime, and thermostat. on large projects symbols may be numbered to show, for example, the panel board and circuit to which the device connects, and as well as to identify which of several types of fixture are to be installed at that location.

1966 mustang wiring diagrams average joe restoration
wiring diagram for 1966 ford mustang wiring forums
A set of wiring diagrams may be required by the electrical inspection authority to approve relationship of the address to the public electrical supply system.
Wiring diagrams will after that tally panel schedules for circuit breaker panelboards, and riser diagrams for special facilities such as flare alarm or closed circuit television or supplementary special services.
You Might Also Like :
[gembloong_related_posts count=3]
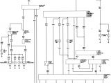
1966 mustang ignition wiring diagram another image:

i need a wiring diagram for a dash in a 1966 ford mustang
watnakprok org wiring diagram schematic
1966 mustang wiring diagrams average joe restoration






















