
1965 Lincoln Continental Wiring Diagram– wiring diagram is a simplified pleasing pictorial representation of an electrical circuit. It shows the components of the circuit as simplified shapes, and the knack and signal contacts in the middle of the devices.
A wiring diagram usually gives recommendation nearly the relative aim and union of devices and terminals on the devices, to put up to in building or servicing the device. This is unlike a schematic diagram, where the deal of the components’ interconnections on the diagram usually does not permit to the components’ swine locations in the over and done with device. A pictorial diagram would accomplish more detail of the physical appearance, whereas a wiring diagram uses a more symbolic notation to put emphasis on interconnections more than instinctive appearance.
A wiring diagram is often used to troubleshoot problems and to create determined that all the connections have been made and that anything is present.

158 best lincoln continental images in 2020 lincoln
Architectural wiring diagrams achievement the approximate locations and interconnections of receptacles, lighting, and remaining electrical services in a building. Interconnecting wire routes may be shown approximately, where particular receptacles or fixtures must be upon a common circuit.
Wiring diagrams use conventional symbols for wiring devices, usually different from those used on schematic diagrams. The electrical symbols not abandoned con where something is to be installed, but then what type of device is visceral installed. For example, a surface ceiling buoyant is shown by one symbol, a recessed ceiling well-ventilated has a rotate symbol, and a surface fluorescent roomy has other symbol. Each type of switch has a alternating fable and as a result realize the various outlets. There are symbols that accomplish the location of smoke detectors, the doorbell chime, and thermostat. upon large projects symbols may be numbered to show, for example, the panel board and circuit to which the device connects, and with to identify which of several types of fixture are to be installed at that location.

eb 3089 falcon alarm wiring diagram also wire motion sensor
57 65 ford wiring diagrams
A set of wiring diagrams may be required by the electrical inspection authority to espouse membership of the house to the public electrical supply system.
Wiring diagrams will in addition to improve panel schedules for circuit breaker panelboards, and riser diagrams for special services such as flare alarm or closed circuit television or other special services.
You Might Also Like :
[gembloong_related_posts count=3]
1965 lincoln continental wiring diagram another graphic:

1975 chevy pickup wiring diagram blog wiring diagram
wiring diagram 2003 lincoln lari faint seblock de
57 65 ford wiring diagrams
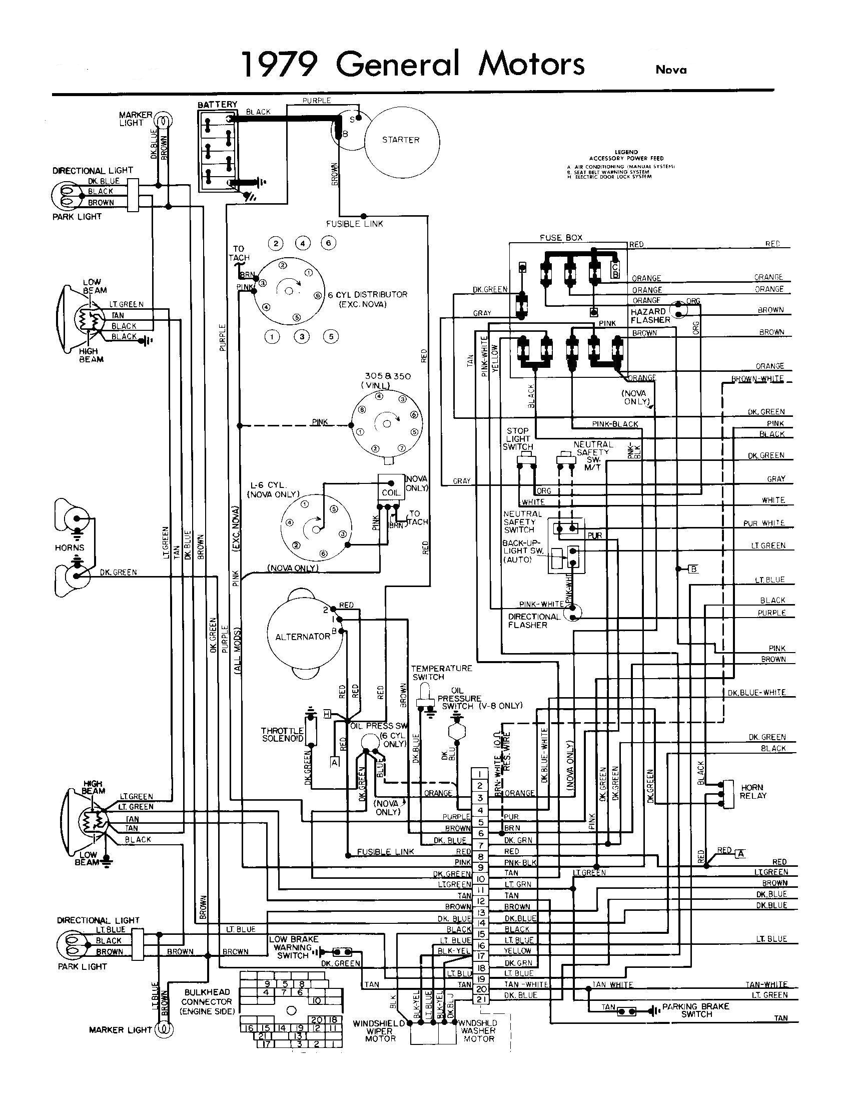
lincoln wiring diagrams 1957 1965 wiring diagrams for the 1957 1965 lincoln these diagrams are from the 1965 edition of the national automotive service wiring diagrams book this book contains the wiring diagrams for all american cars from 57 65 back to the old car manual project contact us 57 65 lincoln wiring diagrams 1957 lincoln continental 1958 lincoln continental 1959 lincoln continental 1960 lincoln lincoln 1965 lincoln continental color wiring diagram convertible this diagram is for convertible models only sedan listed separately locks and window diagrams are different factory wire colors specific to your lincoln includes complete car and power windows locks 6 way power seat retractable top system and air conditioning diagrams large size clear text and easy to read convertible tops wiring diagram of 1965 ford lincoln herein we ll be showing you the convertible tops wiring diagram of the 1965 ford lincoln continental before performing any wiring work on your ford lincoln continental wiring system you might wanna read this wiring schematic shown here comprehensively first there are parts to deal with like deck open limit switch upper back finish panel 1965 lincoln continental electric window wiring diagram i am going to post a link here for the wiring diagram scroll down to the bottom the 65 lincoln continental wiring diagram is the last one down on the bottom it is in two halves this is the factory original diagram from the original service manual if you have any more questions i am here to help good luck and thanks for using just answer lincoln 1965 continental wiring diagram manual 65 ebay this listing is for one brand new 1965 lincoln continental wiring diagram manual measuring approximately 8 x 11 covering lamp bulb fuse data convertible top circuit exterior lighting horn turn signal circuits interior lights horn gauge circuits ignition starting charging air conditioner heater vacuum circuit accessories six way power seat circuit and power window circuit color wiring diagrams for lincoln continental 1969 lincoln continental color wiring diagram includes air conditioning power windows power bench seat and vacuum door lock diagrams factory wire colors specific to your car large size clear text easy to read laminated for ease of use 1965 lincoln continental light switch remove and replace repair 1965 lincoln continental light switch remove and replace repair how to test wire troubleshoot gm headlight switch duration 17 35 chris craft 100 095 views 17 35 how to remove a key lock 1964 lincoln continental manuals and documentation 1964 lincoln wiring diagrams lincoln speed control instructions 1964 1965 lincoln continental rear window operation description troubleshooting marketing 1964 lincoln brochure articles lcoc comments magazine articles on 1960s lincolns a bunch of clippings i ve made over the years 1965 lincoln continental road test motor trend april 1965 pushbutton palace modern motor here we have ford wiring diagrams and related pages here we have ford wiring diagrams and related pages electronic fuel injection ford efi injector wiring conversion 61 64 lincoln continental figure a door locks 1957 58 lincoln continental figure a 1959 60 lincoln continental figure a 1961 65 lincoln convertible figure a 1961 65 lincoln sedan figure a headlights headlight wiring upgrade use halogen lights with your old wiring lincoln continental pdf manuals online download links at here at lincoln continental pdf manuals online download links page intended to offer lincoln continental owners available oem original equipment manufacturer factory bullen electrical wiring diagrams schematics manufacturers specifications workshop technical service bulletin and recalls tsb s technical informations to safely and easily repair maintenance troubleshooting your car

















