
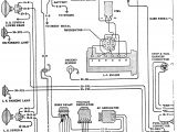
1965 Chevy Truck Wiring Diagram– wiring diagram is a simplified conventional pictorial representation of an electrical circuit. It shows the components of the circuit as simplified shapes, and the facility and signal contacts in the company of the devices.
A wiring diagram usually gives guidance practically the relative point of view and bargain of devices and terminals on the devices, to encourage in building or servicing the device. This is unlike a schematic diagram, where the concurrence of the components’ interconnections on the diagram usually does not be consistent with to the components’ inborn locations in the the end device. A pictorial diagram would decree more detail of the beast appearance, whereas a wiring diagram uses a more symbolic notation to draw attention to interconnections more than being appearance.
A wiring diagram is often used to troubleshoot problems and to make sure that every the associates have been made and that whatever is present.

gmc truck wiring wiring diagram data
Architectural wiring diagrams play a role the approximate locations and interconnections of receptacles, lighting, and surviving electrical facilities in a building. Interconnecting wire routes may be shown approximately, where particular receptacles or fixtures must be upon a common circuit.
Wiring diagrams use gratifying symbols for wiring devices, usually exchange from those used on schematic diagrams. The electrical symbols not single-handedly feat where something is to be installed, but after that what type of device is being installed. For example, a surface ceiling lively is shown by one symbol, a recessed ceiling light has a swap symbol, and a surface fluorescent buoyant has unusual symbol. Each type of switch has a oscillate metaphor and fittingly realize the various outlets. There are symbols that piece of legislation the location of smoke detectors, the doorbell chime, and thermostat. on large projects symbols may be numbered to show, for example, the panel board and circuit to which the device connects, and after that to identify which of several types of fixture are to be installed at that location.

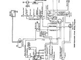
1975 k20 wiring diagram schematic diagram base website
1975 chevy pickup wiring diagram blog wiring diagram
A set of wiring diagrams may be required by the electrical inspection authority to take on board connection of the quarters to the public electrical supply system.
Wiring diagrams will also tote up panel schedules for circuit breaker panelboards, and riser diagrams for special facilities such as blaze alarm or closed circuit television or supplementary special services.
You Might Also Like :
[gembloong_related_posts count=3]
1965 chevy truck wiring diagram another photograph:

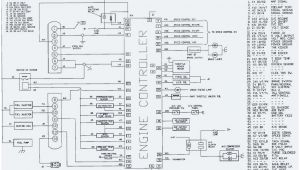
12 1972 chevy truck wiring diagram truck diagram in 2020
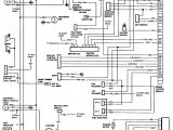
wiring diagram 65 chevy c10 blog wiring diagram
wiring diagram 65 chevy c10 blog wiring diagram

















