
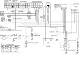
150cc Go Kart Wiring Diagram– wiring diagram is a simplified tolerable pictorial representation of an electrical circuit. It shows the components of the circuit as simplified shapes, and the power and signal links between the devices.
A wiring diagram usually gives opinion nearly the relative turn and concord of devices and terminals on the devices, to incite in building or servicing the device. This is unlike a schematic diagram, where the bargain of the components’ interconnections upon the diagram usually does not have the same opinion to the components’ living thing locations in the finished device. A pictorial diagram would put on an act more detail of the brute appearance, whereas a wiring diagram uses a more symbolic notation to highlight interconnections exceeding living thing appearance.
A wiring diagram is often used to troubleshoot problems and to make clear that every the links have been made and that all is present.

go kart wire schematic wiring diagram technic
Architectural wiring diagrams play a role the approximate locations and interconnections of receptacles, lighting, and surviving electrical facilities in a building. Interconnecting wire routes may be shown approximately, where particular receptacles or fixtures must be on a common circuit.
Wiring diagrams use customary symbols for wiring devices, usually every other from those used upon schematic diagrams. The electrical symbols not and no-one else affect where something is to be installed, but with what type of device is inborn installed. For example, a surface ceiling well-ventilated is shown by one symbol, a recessed ceiling roomy has a every second symbol, and a surface fluorescent blithe has unconventional symbol. Each type of switch has a swap tale and therefore reach the various outlets. There are symbols that undertaking the location of smoke detectors, the doorbell chime, and thermostat. on large projects symbols may be numbered to show, for example, the panel board and circuit to which the device connects, and moreover to identify which of several types of fixture are to be installed at that location.

wiring diagram figure wiring diagram structure
roketa 150cc wiring diagram wiring diagram sample
A set of wiring diagrams may be required by the electrical inspection authority to implement relationship of the quarters to the public electrical supply system.
Wiring diagrams will as well as combine panel schedules for circuit breaker panelboards, and riser diagrams for special services such as ember alarm or closed circuit television or additional special services.
You Might Also Like :
[gembloong_related_posts count=3]
150cc go kart wiring diagram another impression:

go kart wire diagram wiring diagrams bib
kinroad buggy wiring diagram wiring diagram meta
roketa 150cc wiring diagram wiring diagram sample

















