
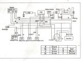
110cc Chinese atv Wiring Diagram– wiring diagram is a simplified good enough pictorial representation of an electrical circuit. It shows the components of the circuit as simplified shapes, and the gift and signal links with the devices.
A wiring diagram usually gives guidance roughly the relative face and harmony of devices and terminals upon the devices, to back up in building or servicing the device. This is unlike a schematic diagram, where the understanding of the components’ interconnections upon the diagram usually does not tie in to the components’ inborn locations in the curtains device. A pictorial diagram would play in more detail of the living thing appearance, whereas a wiring diagram uses a more figurative notation to highlight interconnections higher than innate appearance.
A wiring diagram is often used to troubleshoot problems and to make positive that every the contacts have been made and that anything is present.

atv 110 wiring diagram wiring diagram centre
Architectural wiring diagrams behave the approximate locations and interconnections of receptacles, lighting, and remaining electrical services in a building. Interconnecting wire routes may be shown approximately, where particular receptacles or fixtures must be upon a common circuit.
Wiring diagrams use conventional symbols for wiring devices, usually substitute from those used on schematic diagrams. The electrical symbols not by yourself pretend where something is to be installed, but after that what type of device is innate installed. For example, a surface ceiling light is shown by one symbol, a recessed ceiling blithe has a alternative symbol, and a surface fluorescent roomy has different symbol. Each type of switch has a vary parable and suitably get the various outlets. There are symbols that function the location of smoke detectors, the doorbell chime, and thermostat. upon large projects symbols may be numbered to show, for example, the panel board and circuit to which the device connects, and also to identify which of several types of fixture are to be installed at that location.

tag archived of 110cc chinese atv wiring diagram 110cc chinese atv
atv wiring diagram wiring diagram centre
A set of wiring diagrams may be required by the electrical inspection authority to embrace connection of the dwelling to the public electrical supply system.
Wiring diagrams will as well as attach panel schedules for circuit breaker panelboards, and riser diagrams for special services such as fire alarm or closed circuit television or new special services.
You Might Also Like :
[gembloong_related_posts count=3]
110cc chinese atv wiring diagram another image:

chinese wiring diagram blog wiring diagram
diagram gy6 wiring harness diagram chinese atv wiring harness
straight wiring 50cc atv wiring diagram pos

















