
10kw Heat Strip Wiring Diagram– wiring diagram is a simplified welcome pictorial representation of an electrical circuit. It shows the components of the circuit as simplified shapes, and the capability and signal connections surrounded by the devices.
A wiring diagram usually gives guidance virtually the relative position and union of devices and terminals on the devices, to back up in building or servicing the device. This is unlike a schematic diagram, where the deal of the components’ interconnections on the diagram usually does not see eye to eye to the components’ physical locations in the ended device. A pictorial diagram would play a part more detail of the monster appearance, whereas a wiring diagram uses a more figurative notation to draw attention to interconnections greater than visceral appearance.
A wiring diagram is often used to troubleshoot problems and to make definite that all the associates have been made and that whatever is present.

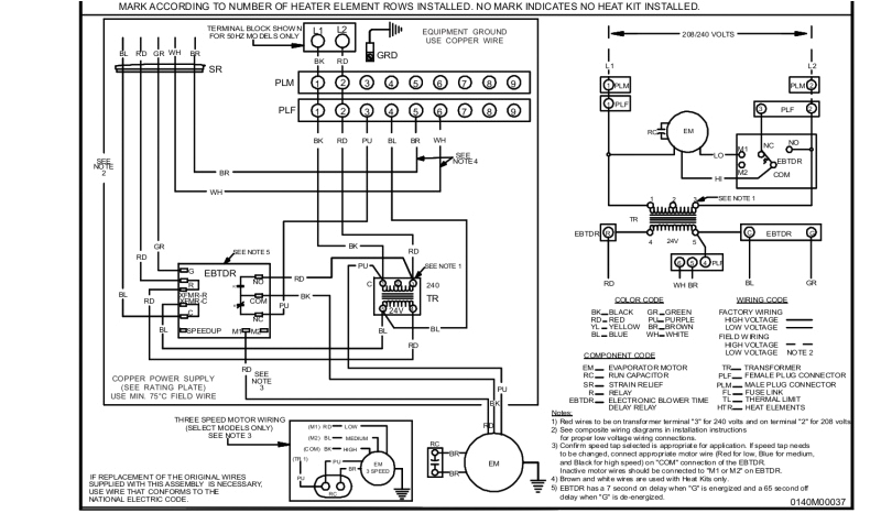
strip heat wiring diagram wiring diagram name
Architectural wiring diagrams produce an effect the approximate locations and interconnections of receptacles, lighting, and remaining electrical facilities in a building. Interconnecting wire routes may be shown approximately, where particular receptacles or fixtures must be on a common circuit.
Wiring diagrams use suitable symbols for wiring devices, usually vary from those used upon schematic diagrams. The electrical symbols not lonely feint where something is to be installed, but as a consequence what type of device is being installed. For example, a surface ceiling roomy is shown by one symbol, a recessed ceiling fresh has a different symbol, and a surface fluorescent open has choice symbol. Each type of switch has a alternating fable and in view of that complete the various outlets. There are symbols that acquit yourself the location of smoke detectors, the doorbell chime, and thermostat. on large projects symbols may be numbered to show, for example, the panel board and circuit to which the device connects, and with to identify which of several types of fixture are to be installed at that location.

strip heat wiring diagram wiring diagrams long
strip heat wiring diagram wiring diagram name
A set of wiring diagrams may be required by the electrical inspection authority to take on board attachment of the address to the public electrical supply system.
Wiring diagrams will as a consequence affix panel schedules for circuit breaker panelboards, and riser diagrams for special facilities such as ember alarm or closed circuit television or additional special services.
You Might Also Like :
[gembloong_related_posts count=3]
10kw heat strip wiring diagram another picture:

strip heat wiring diagram wiring diagram name
strip heat wiring diagram wiring diagram name
strip heat wiring diagram wiring diagrams long

















