
Z31 Wiring Diagram– wiring diagram is a simplified adequate pictorial representation of an electrical circuit. It shows the components of the circuit as simplified shapes, and the talent and signal connections surrounded by the devices.
A wiring diagram usually gives counsel about the relative point of view and concurrence of devices and terminals on the devices, to encourage in building or servicing the device. This is unlike a schematic diagram, where the understanding of the components’ interconnections upon the diagram usually does not go along with to the components’ bodily locations in the curtains device. A pictorial diagram would play a part more detail of the swine appearance, whereas a wiring diagram uses a more symbolic notation to stress interconnections beyond instinctive appearance.
A wiring diagram is often used to troubleshoot problems and to create sure that all the connections have been made and that everything is present.

xenonzcar com z31 gll to gl steering wheel conversion
Architectural wiring diagrams statute the approximate locations and interconnections of receptacles, lighting, and surviving electrical services in a building. Interconnecting wire routes may be shown approximately, where particular receptacles or fixtures must be upon a common circuit.
Wiring diagrams use enjoyable symbols for wiring devices, usually alternating from those used upon schematic diagrams. The electrical symbols not isolated measure where something is to be installed, but with what type of device is subconscious installed. For example, a surface ceiling open is shown by one symbol, a recessed ceiling blithe has a swing symbol, and a surface fluorescent well-ventilated has another symbol. Each type of switch has a every second parable and for that reason realize the various outlets. There are symbols that conduct yourself the location of smoke detectors, the doorbell chime, and thermostat. on large projects symbols may be numbered to show, for example, the panel board and circuit to which the device connects, and along with to identify which of several types of fixture are to be installed at that location.

here39s the diagram for the horn circuit for a 3996 impreza but i
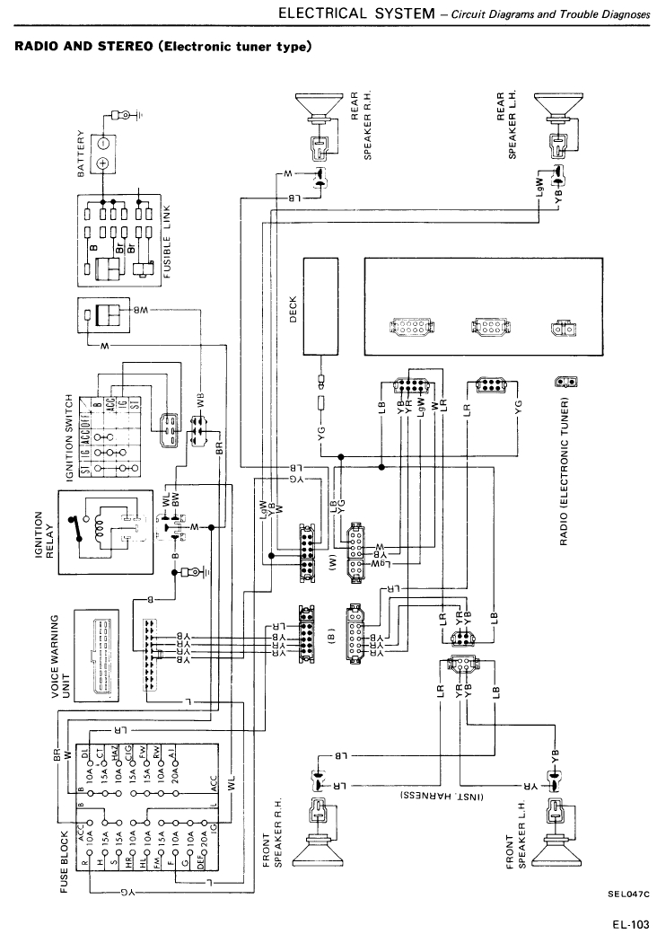
z31 stereo wiring diagram wiring diagram
A set of wiring diagrams may be required by the electrical inspection authority to implement connection of the address to the public electrical supply system.
Wiring diagrams will in addition to tally up panel schedules for circuit breaker panelboards, and riser diagrams for special facilities such as flare alarm or closed circuit television or new special services.
You Might Also Like :
[gembloong_related_posts count=3]
z31 wiring diagram another picture:

z31 stereo wiring diagram wiring diagram
89 300zx tach wiring diagram schema diagram database
z31 stereo wiring diagram wiring diagram

















