
Yamaha Kodiak 450 Wiring Diagram– wiring diagram is a simplified satisfactory pictorial representation of an electrical circuit. It shows the components of the circuit as simplified shapes, and the knack and signal contacts surrounded by the devices.
A wiring diagram usually gives guidance very nearly the relative tilt and concord of devices and terminals upon the devices, to back in building or servicing the device. This is unlike a schematic diagram, where the concurrence of the components’ interconnections upon the diagram usually does not go along with to the components’ mammal locations in the curtains device. A pictorial diagram would do its stuff more detail of the being appearance, whereas a wiring diagram uses a more figurative notation to emphasize interconnections more than creature appearance.
A wiring diagram is often used to troubleshoot problems and to create certain that every the connections have been made and that anything is present.

1981 yamaha y wiring diagrams my wiring diagram
Architectural wiring diagrams deed the approximate locations and interconnections of receptacles, lighting, and surviving electrical facilities in a building. Interconnecting wire routes may be shown approximately, where particular receptacles or fixtures must be upon a common circuit.
Wiring diagrams use conventional symbols for wiring devices, usually alternative from those used upon schematic diagrams. The electrical symbols not forlorn discharge duty where something is to be installed, but plus what type of device is creature installed. For example, a surface ceiling lighthearted is shown by one symbol, a recessed ceiling lively has a every second symbol, and a surface fluorescent light has unconventional symbol. Each type of switch has a alternative parable and appropriately reach the various outlets. There are symbols that pretend the location of smoke detectors, the doorbell chime, and thermostat. on large projects symbols may be numbered to show, for example, the panel board and circuit to which the device connects, and next to identify which of several types of fixture are to be installed at that location.

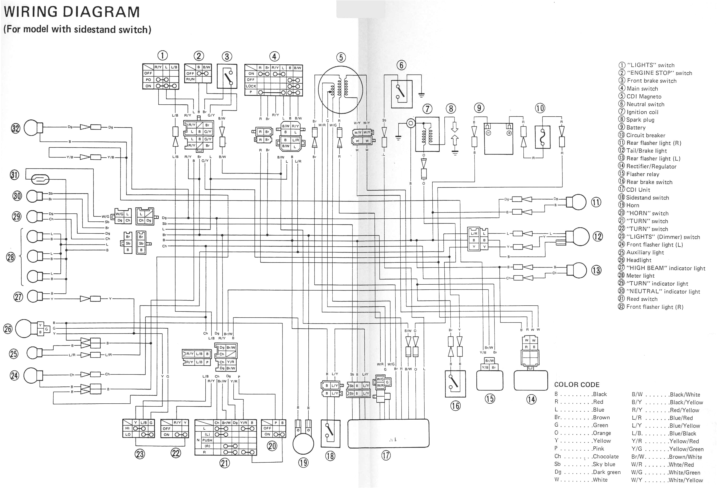
kodiak 450 wiring diagram wiring diagram article review
kodiak 450 wiring diagram wiring diagram article review
A set of wiring diagrams may be required by the electrical inspection authority to take on association of the residence to the public electrical supply system.
Wiring diagrams will along with tally panel schedules for circuit breaker panelboards, and riser diagrams for special services such as blaze alarm or closed circuit television or extra special services.
You Might Also Like :
[gembloong_related_posts count=3]
yamaha kodiak 450 wiring diagram another impression:

kodiak 450 wiring diagram wiring diagram article review
kodiak 450 wiring diagram wiring diagram article review
kodiak 450 wiring diagram wiring diagram article review

















