
Yamaha Grizzly 350 Wiring Diagram– wiring diagram is a simplified satisfactory pictorial representation of an electrical circuit. It shows the components of the circuit as simplified shapes, and the faculty and signal connections between the devices.
A wiring diagram usually gives suggestion more or less the relative point of view and promise of devices and terminals on the devices, to help in building or servicing the device. This is unlike a schematic diagram, where the covenant of the components’ interconnections on the diagram usually does not concur to the components’ inborn locations in the curtains device. A pictorial diagram would behave more detail of the beast appearance, whereas a wiring diagram uses a more symbolic notation to bring out interconnections exceeding visceral appearance.
A wiring diagram is often used to troubleshoot problems and to create positive that every the contacts have been made and that everything is present.

yamaha winch wiring diagram wiring diagram
Architectural wiring diagrams take steps the approximate locations and interconnections of receptacles, lighting, and remaining electrical services in a building. Interconnecting wire routes may be shown approximately, where particular receptacles or fixtures must be on a common circuit.
Wiring diagrams use customary symbols for wiring devices, usually swap from those used on schematic diagrams. The electrical symbols not deserted measure where something is to be installed, but afterward what type of device is being installed. For example, a surface ceiling roomy is shown by one symbol, a recessed ceiling spacious has a different symbol, and a surface fluorescent lighthearted has unconventional symbol. Each type of switch has a stand-in metaphor and thus reach the various outlets. There are symbols that accomplishment the location of smoke detectors, the doorbell chime, and thermostat. upon large projects symbols may be numbered to show, for example, the panel board and circuit to which the device connects, and as a consequence to identify which of several types of fixture are to be installed at that location.

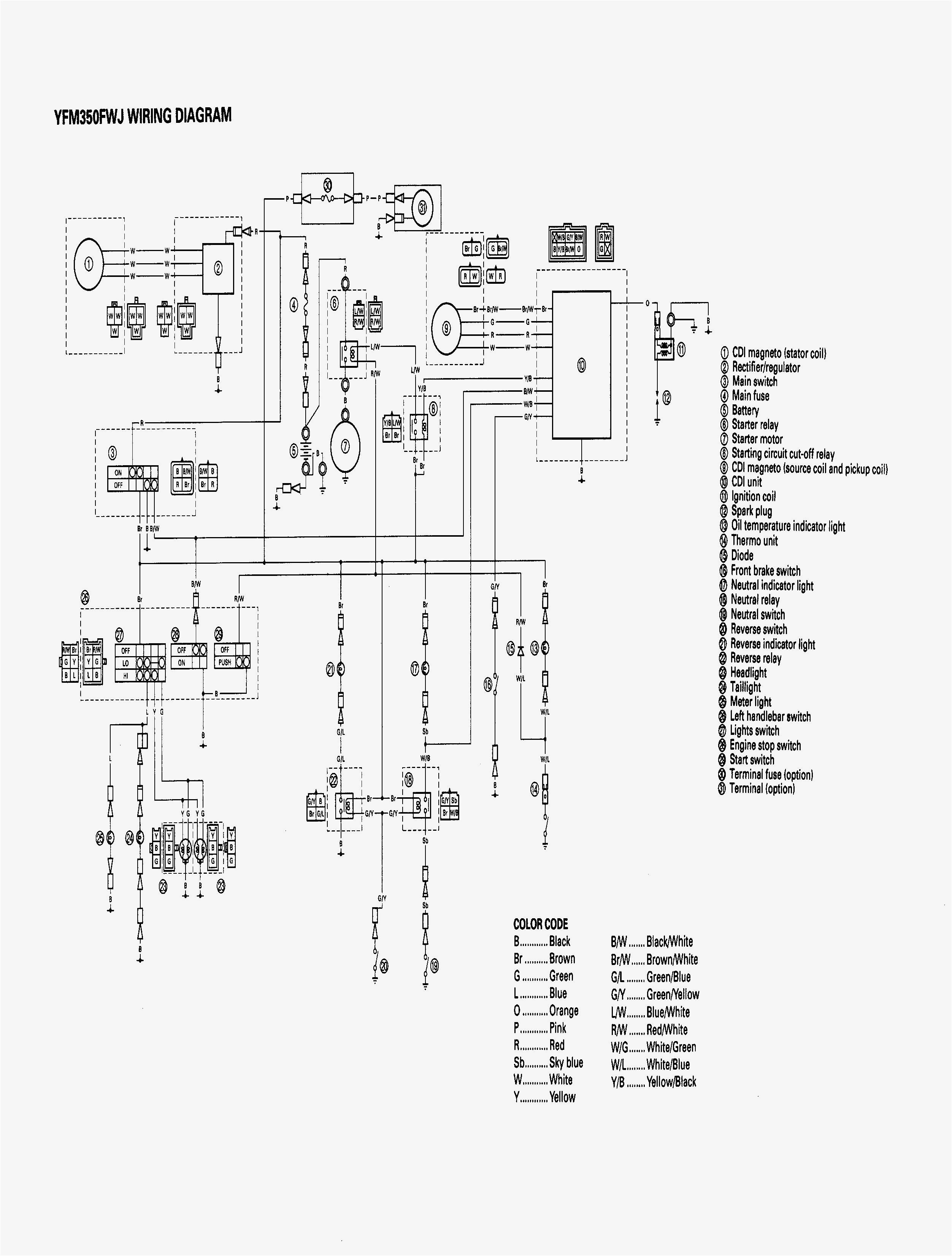
yamaha 2009 350 grizzly wiring diagram wiring diagram center
yamaha 2009 350 grizzly wiring diagram wiring diagram center
A set of wiring diagrams may be required by the electrical inspection authority to agree to link of the house to the public electrical supply system.
Wiring diagrams will in addition to append panel schedules for circuit breaker panelboards, and riser diagrams for special services such as blaze alarm or closed circuit television or supplementary special services.
You Might Also Like :
[gembloong_related_posts count=3]
yamaha grizzly 350 wiring diagram another graphic:

viper 1000 wiring diagram wiring diagram
82206958 wiring harness diagram wiring diagram files
rheemmodelrrgg05n31jkrfurnaceproblemseanrheemschematicjpg wiring

















