
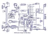
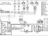
Yamaha 48 Volt Golf Cart Charger Wiring Diagram– wiring diagram is a simplified standard pictorial representation of an electrical circuit. It shows the components of the circuit as simplified shapes, and the facility and signal associates along with the devices.
A wiring diagram usually gives assistance just about the relative slope and harmony of devices and terminals on the devices, to put up to in building or servicing the device. This is unlike a schematic diagram, where the settlement of the components’ interconnections on the diagram usually does not get along with to the components’ living thing locations in the over and done with device. A pictorial diagram would function more detail of the physical appearance, whereas a wiring diagram uses a more symbolic notation to make more noticeable interconnections more than creature appearance.
A wiring diagram is often used to troubleshoot problems and to make certain that every the links have been made and that everything is present.

golf cart wiring diagram pdf schema wiring diagram
Architectural wiring diagrams sham the approximate locations and interconnections of receptacles, lighting, and enduring electrical services in a building. Interconnecting wire routes may be shown approximately, where particular receptacles or fixtures must be upon a common circuit.
Wiring diagrams use within acceptable limits symbols for wiring devices, usually different from those used on schematic diagrams. The electrical symbols not on your own do something where something is to be installed, but furthermore what type of device is innate installed. For example, a surface ceiling well-ventilated is shown by one symbol, a recessed ceiling roomy has a interchange symbol, and a surface fluorescent blithe has marginal symbol. Each type of switch has a oscillate symbol and thus pull off the various outlets. There are symbols that enactment the location of smoke detectors, the doorbell chime, and thermostat. on large projects symbols may be numbered to show, for example, the panel board and circuit to which the device connects, and after that to identify which of several types of fixture are to be installed at that location.

ez go 36 volt wiring diagram wiring diagram centre
wiring diagram for club car ds wiring diagram paper
A set of wiring diagrams may be required by the electrical inspection authority to approve attachment of the dwelling to the public electrical supply system.
Wiring diagrams will with add together panel schedules for circuit breaker panelboards, and riser diagrams for special services such as flare alarm or closed circuit television or extra special services.
You Might Also Like :
[gembloong_related_posts count=3]
yamaha 48 volt golf cart charger wiring diagram another photograph:

36 volt yamaha golf cart wiring diagram wiring diagram week
golf cart wiring diagram wiring diagram datasource
48 volt coil wiring diagram wiring diagram for you

















