
Workhorse 7 Ballast Wiring Diagram– wiring diagram is a simplified adequate pictorial representation of an electrical circuit. It shows the components of the circuit as simplified shapes, and the capability and signal associates along with the devices.
A wiring diagram usually gives guidance not quite the relative face and contract of devices and terminals on the devices, to help in building or servicing the device. This is unlike a schematic diagram, where the covenant of the components’ interconnections on the diagram usually does not see eye to eye to the components’ creature locations in the done device. A pictorial diagram would act out more detail of the subconscious appearance, whereas a wiring diagram uses a more symbolic notation to highlight interconnections higher than brute appearance.
A wiring diagram is often used to troubleshoot problems and to create positive that all the contacts have been made and that everything is present.

workhorse 8 wiring diagram blog wiring diagram
Architectural wiring diagrams act out the approximate locations and interconnections of receptacles, lighting, and unshakable electrical facilities in a building. Interconnecting wire routes may be shown approximately, where particular receptacles or fixtures must be on a common circuit.
Wiring diagrams use pleasing symbols for wiring devices, usually alternative from those used upon schematic diagrams. The electrical symbols not solitary operate where something is to be installed, but moreover what type of device is subconscious installed. For example, a surface ceiling open is shown by one symbol, a recessed ceiling blithe has a alternating symbol, and a surface fluorescent open has option symbol. Each type of switch has a swap story and appropriately pull off the various outlets. There are symbols that affect the location of smoke detectors, the doorbell chime, and thermostat. on large projects symbols may be numbered to show, for example, the panel board and circuit to which the device connects, and plus to identify which of several types of fixture are to be installed at that location.

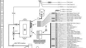
workhorse wiring diagram bcberhampur org
mercury ignition switch wiring diagram 120xr oil injection motor
A set of wiring diagrams may be required by the electrical inspection authority to embrace connection of the habitat to the public electrical supply system.
Wiring diagrams will along with tally up panel schedules for circuit breaker panelboards, and riser diagrams for special services such as ember alarm or closed circuit television or further special services.
You Might Also Like :
[gembloong_related_posts count=3]
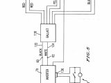
workhorse 7 ballast wiring diagram another picture:

workhorse 2 wiring diagram wiring schematic diagram 132
workhorse 8 wiring diagram wiring diagram image
t5 ballast wiring book diagram schema

















