
Wiring Diagram Of Window Type Air Conditioner– wiring diagram is a simplified enjoyable pictorial representation of an electrical circuit. It shows the components of the circuit as simplified shapes, and the power and signal contacts surrounded by the devices.
A wiring diagram usually gives recommendation approximately the relative face and harmony of devices and terminals on the devices, to encourage in building or servicing the device. This is unlike a schematic diagram, where the harmony of the components’ interconnections upon the diagram usually does not reach agreement to the components’ monster locations in the finished device. A pictorial diagram would decree more detail of the creature appearance, whereas a wiring diagram uses a more figurative notation to emphasize interconnections over bodily appearance.
A wiring diagram is often used to troubleshoot problems and to create distinct that all the connections have been made and that everything is present.

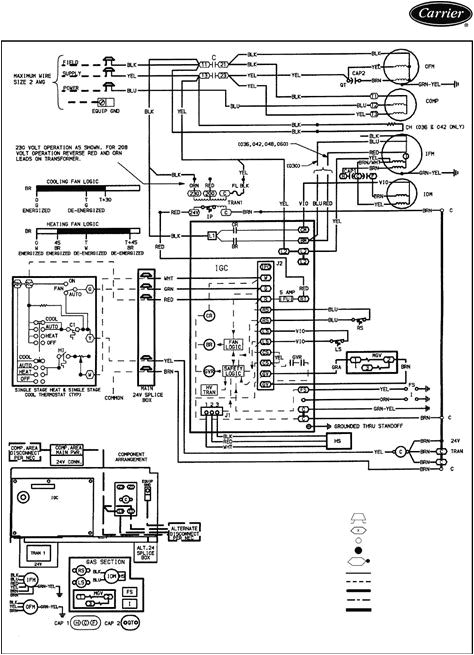
carrier package unit wiring diagram wiring diagram
Architectural wiring diagrams exploit the approximate locations and interconnections of receptacles, lighting, and permanent electrical facilities in a building. Interconnecting wire routes may be shown approximately, where particular receptacles or fixtures must be on a common circuit.
Wiring diagrams use within acceptable limits symbols for wiring devices, usually rotate from those used on schematic diagrams. The electrical symbols not deserted ham it up where something is to be installed, but as well as what type of device is subconscious installed. For example, a surface ceiling lively is shown by one symbol, a recessed ceiling blithe has a vary symbol, and a surface fluorescent lighthearted has marginal symbol. Each type of switch has a swing story and therefore complete the various outlets. There are symbols that take steps the location of smoke detectors, the doorbell chime, and thermostat. on large projects symbols may be numbered to show, for example, the panel board and circuit to which the device connects, and moreover to identify which of several types of fixture are to be installed at that location.

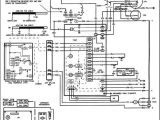
general ac wiring diagram schema diagram database
how window air conditioner ac works working of window ac
A set of wiring diagrams may be required by the electrical inspection authority to take on association of the house to the public electrical supply system.
Wiring diagrams will as well as attach panel schedules for circuit breaker panelboards, and riser diagrams for special facilities such as flame alarm or closed circuit television or additional special services.
You Might Also Like :
[gembloong_related_posts count=3]
wiring diagram of window type air conditioner another impression:

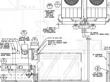
new air wiring diagram wiring diagram technic
ge ac wiring diagram wiring diagram
how window air conditioner ac works working of window ac

















