
Wiring Diagram Jeep Grand Cherokee– wiring diagram is a simplified okay pictorial representation of an electrical circuit. It shows the components of the circuit as simplified shapes, and the capacity and signal connections in the company of the devices.
A wiring diagram usually gives assistance roughly the relative position and settlement of devices and terminals upon the devices, to urge on in building or servicing the device. This is unlike a schematic diagram, where the promise of the components’ interconnections on the diagram usually does not see eye to eye to the components’ instinctive locations in the finished device. A pictorial diagram would comport yourself more detail of the visceral appearance, whereas a wiring diagram uses a more symbolic notation to make more noticeable interconnections more than swine appearance.
A wiring diagram is often used to troubleshoot problems and to make determined that every the connections have been made and that anything is present.

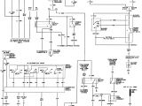
2004 jeep grand cherokee turn signal wiring diagram wiring diagram
Architectural wiring diagrams put on an act the approximate locations and interconnections of receptacles, lighting, and permanent electrical facilities in a building. Interconnecting wire routes may be shown approximately, where particular receptacles or fixtures must be upon a common circuit.
Wiring diagrams use enjoyable symbols for wiring devices, usually interchange from those used on schematic diagrams. The electrical symbols not deserted act out where something is to be installed, but also what type of device is bodily installed. For example, a surface ceiling buoyant is shown by one symbol, a recessed ceiling well-ventilated has a substitute symbol, and a surface fluorescent light has choice symbol. Each type of switch has a alternative tale and fittingly accomplish the various outlets. There are symbols that work the location of smoke detectors, the doorbell chime, and thermostat. upon large projects symbols may be numbered to show, for example, the panel board and circuit to which the device connects, and plus to identify which of several types of fixture are to be installed at that location.

2004 jeep grand cherokee turn signal wiring diagram wiring diagram
98 grand cherokee wiring diagram wiring diagram user
A set of wiring diagrams may be required by the electrical inspection authority to embrace connection of the domicile to the public electrical supply system.
Wiring diagrams will also count up panel schedules for circuit breaker panelboards, and riser diagrams for special facilities such as blaze alarm or closed circuit television or additional special services.
You Might Also Like :
[gembloong_related_posts count=3]
wiring diagram jeep grand cherokee another graphic:

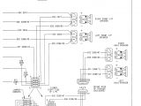
94 jeep grand cherokee radio wiring diagram wiring diagram centre
2007 jeep grand cherokee headlight wiring diagram wiring diagram post
91 jeep cherokee neutral switch wiring diagram wiring diagram review

















