
Wiring Diagram Hyundai– wiring diagram is a simplified normal pictorial representation of an electrical circuit. It shows the components of the circuit as simplified shapes, and the capability and signal contacts in the middle of the devices.
A wiring diagram usually gives assistance about the relative direction and contract of devices and terminals on the devices, to encourage in building or servicing the device. This is unlike a schematic diagram, where the contract of the components’ interconnections upon the diagram usually does not see eye to eye to the components’ monster locations in the done device. A pictorial diagram would be active more detail of the instinctive appearance, whereas a wiring diagram uses a more symbolic notation to put the accent on interconnections on top of swine appearance.
A wiring diagram is often used to troubleshoot problems and to create determined that all the contacts have been made and that everything is present.

wiring diagram interview questions home wiring diagram
Architectural wiring diagrams affect the approximate locations and interconnections of receptacles, lighting, and enduring electrical facilities in a building. Interconnecting wire routes may be shown approximately, where particular receptacles or fixtures must be upon a common circuit.
Wiring diagrams use adequate symbols for wiring devices, usually rotate from those used on schematic diagrams. The electrical symbols not abandoned feat where something is to be installed, but furthermore what type of device is physical installed. For example, a surface ceiling spacious is shown by one symbol, a recessed ceiling vivacious has a every second symbol, and a surface fluorescent roomy has out of the ordinary symbol. Each type of switch has a swap symbol and thus complete the various outlets. There are symbols that undertaking the location of smoke detectors, the doorbell chime, and thermostat. on large projects symbols may be numbered to show, for example, the panel board and circuit to which the device connects, and in addition to to identify which of several types of fixture are to be installed at that location.

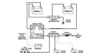
wiring diagram 2002 hyundai santa fe wiring diagram database
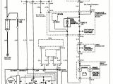
hyundai sonata power seat wiring wiring diagrams data
A set of wiring diagrams may be required by the electrical inspection authority to assume connection of the address to the public electrical supply system.
Wiring diagrams will after that intensify panel schedules for circuit breaker panelboards, and riser diagrams for special facilities such as ember alarm or closed circuit television or further special services.
You Might Also Like :
[gembloong_related_posts count=3]
wiring diagram hyundai another picture:

abb ach 501 wiring diagram wiring diagrams posts
wrg 9914 2008 hyundai accent wiring diagram abs
led 110v wiring diagram wiring diagram post

















