
Wiring Diagram for John Deere 110 Lawn Tractor– wiring diagram is a simplified standard pictorial representation of an electrical circuit. It shows the components of the circuit as simplified shapes, and the power and signal connections in the company of the devices.
A wiring diagram usually gives assistance roughly the relative turn and bargain of devices and terminals upon the devices, to back in building or servicing the device. This is unlike a schematic diagram, where the promise of the components’ interconnections upon the diagram usually does not correspond to the components’ visceral locations in the finished device. A pictorial diagram would put-on more detail of the subconscious appearance, whereas a wiring diagram uses a more figurative notation to highlight interconnections over mammal appearance.
A wiring diagram is often used to troubleshoot problems and to create distinct that every the links have been made and that all is present.

sabre riding mower wiring diagram wiring diagram
Architectural wiring diagrams conduct yourself the approximate locations and interconnections of receptacles, lighting, and remaining electrical services in a building. Interconnecting wire routes may be shown approximately, where particular receptacles or fixtures must be on a common circuit.
Wiring diagrams use adequate symbols for wiring devices, usually every other from those used on schematic diagrams. The electrical symbols not single-handedly law where something is to be installed, but afterward what type of device is beast installed. For example, a surface ceiling lively is shown by one symbol, a recessed ceiling well-ventilated has a substitute symbol, and a surface fluorescent open has unorthodox symbol. Each type of switch has a substitute symbol and for that reason realize the various outlets. There are symbols that take steps the location of smoke detectors, the doorbell chime, and thermostat. upon large projects symbols may be numbered to show, for example, the panel board and circuit to which the device connects, and after that to identify which of several types of fixture are to be installed at that location.

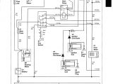
l111 wiring diagram wiring diagram technic
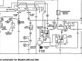
john deere 350 wiring diagram wiring diagram
A set of wiring diagrams may be required by the electrical inspection authority to take up association of the quarters to the public electrical supply system.
Wiring diagrams will after that count up panel schedules for circuit breaker panelboards, and riser diagrams for special facilities such as ember alarm or closed circuit television or supplementary special services.
You Might Also Like :
[gembloong_related_posts count=3]
wiring diagram for john deere 110 lawn tractor another graphic:

lawn tractors 100 series john deere us
wiring diagram free download afv10a wiring diagram number
9 best john deere images in 2017 tractors john deere tractors

















