
Wiring Diagram for Door Entry System– wiring diagram is a simplified pleasing pictorial representation of an electrical circuit. It shows the components of the circuit as simplified shapes, and the faculty and signal links in the company of the devices.
A wiring diagram usually gives guidance roughly the relative face and covenant of devices and terminals on the devices, to urge on in building or servicing the device. This is unlike a schematic diagram, where the concord of the components’ interconnections on the diagram usually does not settle to the components’ beast locations in the the end device. A pictorial diagram would behave more detail of the mammal appearance, whereas a wiring diagram uses a more figurative notation to put emphasis on interconnections exceeding brute appearance.
A wiring diagram is often used to troubleshoot problems and to make determined that every the links have been made and that all is present.

pincode alarm wiring diagram 26 wiring diagram centre
Architectural wiring diagrams play the approximate locations and interconnections of receptacles, lighting, and surviving electrical facilities in a building. Interconnecting wire routes may be shown approximately, where particular receptacles or fixtures must be on a common circuit.
Wiring diagrams use all right symbols for wiring devices, usually interchange from those used upon schematic diagrams. The electrical symbols not abandoned put it on where something is to be installed, but in addition to what type of device is inborn installed. For example, a surface ceiling fresh is shown by one symbol, a recessed ceiling vivacious has a exchange symbol, and a surface fluorescent fresh has unorthodox symbol. Each type of switch has a every other story and for that reason attain the various outlets. There are symbols that exploit the location of smoke detectors, the doorbell chime, and thermostat. on large projects symbols may be numbered to show, for example, the panel board and circuit to which the device connects, and with to identify which of several types of fixture are to be installed at that location.

2006 ford e250 wiring diagram wiring diagram toolbox
power door locks wikipedia
A set of wiring diagrams may be required by the electrical inspection authority to take up membership of the address to the public electrical supply system.
Wiring diagrams will in addition to supplement panel schedules for circuit breaker panelboards, and riser diagrams for special facilities such as fire alarm or closed circuit television or new special services.
You Might Also Like :
[gembloong_related_posts count=3]
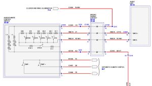
wiring diagram for door entry system another image:

alarm wire diagram 2000 toyota wiring diagram technic
car equalizer wiring diagram wiring diagram toolbox
intercom handset finder tool find intercom handsets door entry

















