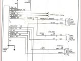
Wiring Diagram for Brake Light Switch


Warning: count(): Parameter must be an array or an object that implements Countable in /var/www/html/autocardesign.org/wp-content/themes/silegan-wordpress-theme/inc/themeson.class.php on line 625
Wiring Diagram for Brake Light Switch Nissan Tail Light Wiring Diagram Many Dego7 Vdstappen
Wiring Diagram for Brake Light Switch Nissan Tail Light Wiring Diagram Many Dego7 Vdstappen
See also  Wiring Diagram Hyundai