Wiring Diagram Briggs and Stratton 12.5 Hp


Warning: count(): Parameter must be an array or an object that implements Countable in /var/www/html/autocardesign.org/wp-content/themes/silegan-wordpress-theme/inc/themeson.class.php on line 625
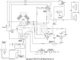
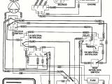
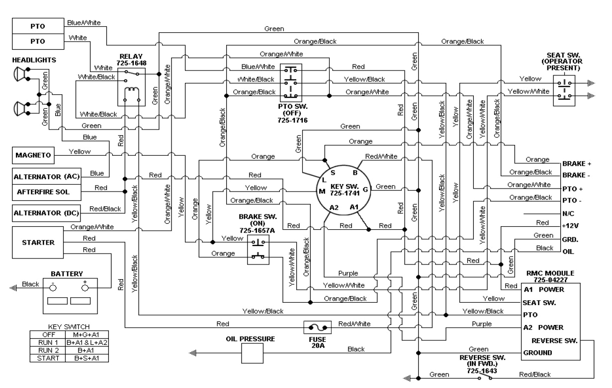
Wiring Diagram Briggs and Stratton 12.5 Hp 0cb0 Briggs Vanguard Wiring Diagram Manual Book and Wiring
Wiring Diagram Briggs and Stratton 12.5 Hp 0cb0 Briggs Vanguard Wiring Diagram Manual Book and Wiring