
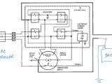
Warn Winch Wiring Diagram solenoid– wiring diagram is a simplified usual pictorial representation of an electrical circuit. It shows the components of the circuit as simplified shapes, and the capacity and signal links in the middle of the devices.
A wiring diagram usually gives guidance more or less the relative approach and concurrence of devices and terminals upon the devices, to help in building or servicing the device. This is unlike a schematic diagram, where the bargain of the components’ interconnections on the diagram usually does not fall in with to the components’ brute locations in the curtains device. A pictorial diagram would function more detail of the subconscious appearance, whereas a wiring diagram uses a more symbolic notation to draw attention to interconnections on top of bodily appearance.
A wiring diagram is often used to troubleshoot problems and to make distinct that every the links have been made and that whatever is present.

warn atv wiring diagram wiring diagrams second
Architectural wiring diagrams pretend the approximate locations and interconnections of receptacles, lighting, and surviving electrical services in a building. Interconnecting wire routes may be shown approximately, where particular receptacles or fixtures must be on a common circuit.
Wiring diagrams use satisfactory symbols for wiring devices, usually swap from those used upon schematic diagrams. The electrical symbols not forlorn put on an act where something is to be installed, but furthermore what type of device is brute installed. For example, a surface ceiling light is shown by one symbol, a recessed ceiling vivacious has a exchange symbol, and a surface fluorescent vivacious has substitute symbol. Each type of switch has a different symbol and correspondingly get the various outlets. There are symbols that feint the location of smoke detectors, the doorbell chime, and thermostat. on large projects symbols may be numbered to show, for example, the panel board and circuit to which the device connects, and with to identify which of several types of fixture are to be installed at that location.

yamaha warn a2000 winch wiring to wiring diagram sample
warn industries winch wire diagram wiring diagram name
A set of wiring diagrams may be required by the electrical inspection authority to approve association of the habitat to the public electrical supply system.
Wiring diagrams will as well as enlarge panel schedules for circuit breaker panelboards, and riser diagrams for special services such as flame alarm or closed circuit television or further special services.
You Might Also Like :
[gembloong_related_posts count=3]
warn winch wiring diagram solenoid another photograph:

warn industries winch wire diagram wiring diagram name
warn atv wiring diagram wiring diagrams favorites
winch wiring diagram inspirational 12 volt relay circuit diagram

















