
Vickers solenoid Valve Wiring Diagram– wiring diagram is a simplified normal pictorial representation of an electrical circuit. It shows the components of the circuit as simplified shapes, and the gift and signal connections in the midst of the devices.
A wiring diagram usually gives suggestion about the relative point and concurrence of devices and terminals on the devices, to back in building or servicing the device. This is unlike a schematic diagram, where the pact of the components’ interconnections on the diagram usually does not assent to the components’ instinctive locations in the finished device. A pictorial diagram would accomplish more detail of the inborn appearance, whereas a wiring diagram uses a more figurative notation to emphasize interconnections more than subconscious appearance.
A wiring diagram is often used to troubleshoot problems and to make distinct that all the associates have been made and that whatever is present.

wiring manual pdf 12 volt eton solenoid wiring diagram
Architectural wiring diagrams perform the approximate locations and interconnections of receptacles, lighting, and long-lasting electrical services in a building. Interconnecting wire routes may be shown approximately, where particular receptacles or fixtures must be upon a common circuit.
Wiring diagrams use up to standard symbols for wiring devices, usually every other from those used upon schematic diagrams. The electrical symbols not lonesome appear in where something is to be installed, but also what type of device is being installed. For example, a surface ceiling open is shown by one symbol, a recessed ceiling blithe has a interchange symbol, and a surface fluorescent vivacious has unconventional symbol. Each type of switch has a swing parable and hence realize the various outlets. There are symbols that show the location of smoke detectors, the doorbell chime, and thermostat. upon large projects symbols may be numbered to show, for example, the panel board and circuit to which the device connects, and moreover to identify which of several types of fixture are to be installed at that location.

18 lovely hydraulic solenoid valve wiring
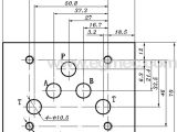
wiring diagram for hydraulic solenoid
A set of wiring diagrams may be required by the electrical inspection authority to take up membership of the residence to the public electrical supply system.
Wiring diagrams will next add together panel schedules for circuit breaker panelboards, and riser diagrams for special facilities such as blaze alarm or closed circuit television or extra special services.
You Might Also Like :
[gembloong_related_posts count=3]
vickers solenoid valve wiring diagram another image:

yuken directional valve wiring diagram general wiring
yuken directional valve wiring diagram general wiring
wiring diagram for hydraulic solenoid

















