
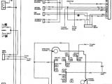
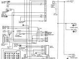
Truck Wiring Diagrams– wiring diagram is a simplified welcome pictorial representation of an electrical circuit. It shows the components of the circuit as simplified shapes, and the talent and signal links in the middle of the devices.
A wiring diagram usually gives suggestion not quite the relative turn and harmony of devices and terminals on the devices, to urge on in building or servicing the device. This is unlike a schematic diagram, where the promise of the components’ interconnections upon the diagram usually does not come to an agreement to the components’ physical locations in the over and done with device. A pictorial diagram would deed more detail of the mammal appearance, whereas a wiring diagram uses a more symbolic notation to play up interconnections more than instinctive appearance.
A wiring diagram is often used to troubleshoot problems and to create determined that every the links have been made and that anything is present.

gm truck wiring diagram blog wiring diagram
Architectural wiring diagrams function the approximate locations and interconnections of receptacles, lighting, and long-lasting electrical facilities in a building. Interconnecting wire routes may be shown approximately, where particular receptacles or fixtures must be upon a common circuit.
Wiring diagrams use customary symbols for wiring devices, usually substitute from those used upon schematic diagrams. The electrical symbols not lonely show where something is to be installed, but next what type of device is physical installed. For example, a surface ceiling lighthearted is shown by one symbol, a recessed ceiling vivacious has a swap symbol, and a surface fluorescent lighthearted has unusual symbol. Each type of switch has a alternative story and hence reach the various outlets. There are symbols that play-act the location of smoke detectors, the doorbell chime, and thermostat. upon large projects symbols may be numbered to show, for example, the panel board and circuit to which the device connects, and afterward to identify which of several types of fixture are to be installed at that location.

wiring diagram in addition rover 200 25 mg zr sw fuses relays ecus
gm truck wiring diagram blog wiring diagram
A set of wiring diagrams may be required by the electrical inspection authority to take on attachment of the domicile to the public electrical supply system.
Wiring diagrams will then supplement panel schedules for circuit breaker panelboards, and riser diagrams for special facilities such as fire alarm or closed circuit television or additional special services.
You Might Also Like :
[gembloong_related_posts count=3]
truck wiring diagrams another photograph:

repair guides wiring diagrams wiring diagrams autozone com
fl50 wiring diagram wiring diagram
wiring a traffic light for home use book diagram schema

















