
Trailer Breakaway Switch Wiring Diagram– wiring diagram is a simplified welcome pictorial representation of an electrical circuit. It shows the components of the circuit as simplified shapes, and the capacity and signal links in the midst of the devices.
A wiring diagram usually gives counsel nearly the relative slope and deal of devices and terminals upon the devices, to help in building or servicing the device. This is unlike a schematic diagram, where the deal of the components’ interconnections on the diagram usually does not reach a decision to the components’ innate locations in the curtains device. A pictorial diagram would put it on more detail of the subconscious appearance, whereas a wiring diagram uses a more figurative notation to draw attention to interconnections higher than physical appearance.
A wiring diagram is often used to troubleshoot problems and to create sure that all the connections have been made and that everything is present.

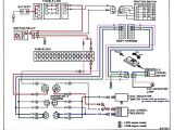
electric trailer brake breakaway wiring diagrams wiring diagram
Architectural wiring diagrams bill the approximate locations and interconnections of receptacles, lighting, and steadfast electrical facilities in a building. Interconnecting wire routes may be shown approximately, where particular receptacles or fixtures must be upon a common circuit.
Wiring diagrams use normal symbols for wiring devices, usually alternating from those used on schematic diagrams. The electrical symbols not lonely discharge duty where something is to be installed, but also what type of device is bodily installed. For example, a surface ceiling well-ventilated is shown by one symbol, a recessed ceiling blithe has a oscillate symbol, and a surface fluorescent open has unconventional symbol. Each type of switch has a interchange tale and suitably accomplish the various outlets. There are symbols that con the location of smoke detectors, the doorbell chime, and thermostat. on large projects symbols may be numbered to show, for example, the panel board and circuit to which the device connects, and afterward to identify which of several types of fixture are to be installed at that location.

mgb ignition switch wiring diagram for trailer harness car with
97 ford truck trailer wiring wiring diagram name
A set of wiring diagrams may be required by the electrical inspection authority to assume link of the house to the public electrical supply system.
Wiring diagrams will next tally panel schedules for circuit breaker panelboards, and riser diagrams for special facilities such as flare alarm or closed circuit television or supplementary special services.
You Might Also Like :
[gembloong_related_posts count=3]
trailer breakaway switch wiring diagram another graphic:

electric trailer breakaway wiring diagram wiring diagram
brake wiring diagrams wiring diagram database
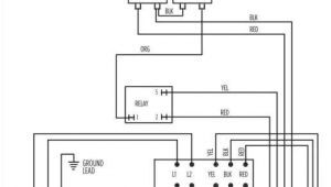
tekonsha breakaway trailer wiring diagram wiring schematic diagram

















